legines.com
BSP z nerezové oceli ulice loket

BSP z nerezové oceli ulice loket

BSP z nerezové oceli ulice loketních kování 2020

Typická aplikace:
Mazivo, chlazení, instrumentace a hydraulické systémy.

Výhody:
Dryseal potrubí vlákna (BSPT (R)/BSP (G).

Kontaktujte nás

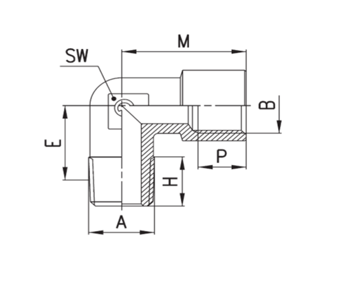
SPECIFIKACE

ČÁST#

Velikost vlákna a × b

S.W

M

E

2020-A R1/8 × G/18 11 19 16
2020-B R1/4 × G1/4 12 23 20
2020-c R3/8 × G3/8 15 25 22
2020-D R1/2 × G1/2 20 31 28
2020-e R3/4 × G3/4 24 36.5 30

Kontakt s námi

O Legie

Legines Industrial Machinery Inc.

Jako profesionální výrobci mosazných mosazných kování a tlačí dodavatelé kování. Přijímá úplné obrábění CNC a vlastní dílnu ve výši 3600 metrů čtverečních. 45 automatických strojů, 35 poloautomatických strojů CNC, jakož i distributoři, kteří se stali důležitými dodavateli pro výrobu amerických standardních mosazných částí v Číně ...
  • čest
  • čest

INSTRUKCE & Novinky