legines.com
NPT muž snižující hexovou bradavku 2511

NPT muž snižující hexovou bradavku 2511

Hexová bradavka pro připojení dvou závitových trubek nebo armatur a prodloužení délky potrubí, šestiúhelníková střední sekce pro utažení klíčem.
Samce NPT vlákna pro připojení k ženským závitovým potrubím.
Forged Mosaz pro odolnost proti korozi, tažnost při vysokých teplotách a nízká magnetická propustnost.
Provozní tlak až do 1200 psi, teplotní rozsah -40 ° F až 160 ° F.

Typická aplikace:
Mazivo, chlazení, instrumentace a hydraulické systémy.

Výhody:
Dryseal potrubí vlákna (BSPT (R)/BSP (G).

Kontaktujte nás

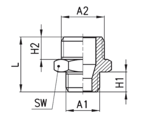
SPECIFIKACE

ČÁST#

Velikost vlákna A1 × A2

S.W

L

H

2511-M5A

M5 × G1/8

13

14.5

4.0

2511-Ab

G1/8 × G1/4 17 19.0 6.0

2511-AC

G1/8 × G3/8

19

20.0 6.0

2511-bc

G1/4 × G3/8 19

22.0

8.0

2510-BD

G1/4 × G1/2 24 23.5

10.0

2511-CD

G3/8 × G1/2 24

23.5

10.0

Nízká propustnost a odolnost proti vysoké teplotě. Pevná mosazná konstrukce s cílem odolným proti korozi. Vlákna připojení zahrnují NPT (mužské i ženy).

Kontakt s námi

O Legie

Legines Industrial Machinery Inc.

Jako profesionální výrobci mosazných mosazných kování a tlačí dodavatelé kování. Přijímá úplné obrábění CNC a vlastní dílnu ve výši 3600 metrů čtverečních. 45 automatických strojů, 35 poloautomatických strojů CNC, jakož i distributoři, kteří se stali důležitými dodavateli pro výrobu amerických standardních mosazných částí v Číně ...
  • čest
  • čest

INSTRUKCE & Novinky