legines.com
Ocelové redukční sady bradavek 2510

Ocelové redukční sady bradavek 2510

Zahrnout:
Snížení hexní bradavky: 1 ks;
Redukční adaptér: 1 PC;

Potrubí jsou komponenty používané pro připojení, ukončení, kontrolu toku a změně směru potrubí v mnoha různých průmyslových odvětvích. Při nákupu kování potrubí zvažte aplikaci, protože to ovlivní typ materiálu, tvar, velikost a požadovanou trvanlivost. Přizpůsobení jsou k dispozici závitové nebo nevělé, v mnoha tvarech, stylech, velikostech a plánech (tloušťka stěny potrubí).

Typická aplikace:
Mazivo, chlazení, instrumentace a hydraulické systémy.

Výhody:
Dryseal potrubí vlákna (BSPT (R)/BSP (G).

Kontaktujte nás

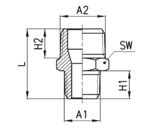
SPECIFIKACE

ČÁST#

Velikost vlákna A1 × A2

S.W

L

H

2510-AB

R1/8 × R1/4

14

23.5

7.5

2510-AC

R1/8 × 3/8 17 24.0 7.5

2510-bc

R1/4 × R3/8

17

27.5

11.0

2510-BD

R1/4 × R1/2

22

30.5

11.0

2510-CD

R3/8 × R1.2

22

31.0

11.5

2510-DE

R1/2 × R3/4

27

37.5

14.0

Kontakt s námi

O Legie

Legines Industrial Machinery Inc.

Jako profesionální výrobci mosazných mosazných kování a tlačí dodavatelé kování. Přijímá úplné obrábění CNC a vlastní dílnu ve výši 3600 metrů čtverečních. 45 automatických strojů, 35 poloautomatických strojů CNC, jakož i distributoři, kteří se stali důležitými dodavateli pro výrobu amerických standardních mosazných částí v Číně ...
  • čest
  • čest

INSTRUKCE & Novinky