legines.com
BSPT/BSPP hex bradavky potrubí 2500

BSPT/BSPP hex bradavky potrubí 2500

„Šuptavá bradavka pro připojení dvou závitových trubek nebo armatur a prodloužení délky potrubí, šestiúhelníková střední část pro utažení klíčem.
Samce NPT vlákna pro připojení k ženským závitovým potrubím.
Forged Mosaz pro odolnost proti korozi, tažnost při vysokých teplotách a nízká magnetická propustnost.
Provozní tlak až do 1200 psi, teplotní rozsah -40 ° F až 160 ° F. “

Typická aplikace:
Mazivo, chlazení, instrumentace a hydraulické systémy.

Výhody:
Dryseal potrubí vlákna (BSPT (R)/BSP (G).

Kontaktujte nás

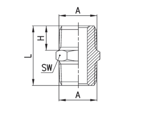
SPECIFIKACE

ČÁST#

Velikost vlákna a

S.W

L

H

2500-A

R1/8

12

19.5

7.5

2500-b

R1/4

14

27.0

11.0

2500-c

R3/8

17

28.0

11.5

2500-d

R1/2

22

33.5

14.0

2500-e

R3/4

27

40.0

16.5

2500-f

R1 "

34

45.5

19

Ekonomická, vysoce kvalitní montáž potrubí šestipky je navržen tak, aby poskytoval tuhý kloub mezi dvěma trubkami s dryseálními (bezpečnostními) vlákny. Může být použit ve vodě, vzduchu a olejových systémech, včetně aplikací pro vytápění a chlazení. Materiál je odolný vůči korozi, nemagnetický a elektronicky pro větší pevnost a trvanlivost.

Kontakt s námi

O Legie

Legines Industrial Machinery Inc.

Jako profesionální výrobci mosazných mosazných kování a tlačí dodavatelé kování. Přijímá úplné obrábění CNC a vlastní dílnu ve výši 3600 metrů čtverečních. 45 automatických strojů, 35 poloautomatických strojů CNC, jakož i distributoři, kteří se stali důležitými dodavateli pro výrobu amerických standardních mosazných částí v Číně ...
  • čest
  • čest

INSTRUKCE & Novinky