legines.com
Niklově snižovaná redukční bradavka 2501

Niklově snižovaná redukční bradavka 2501

Niklovaná bradavka pro připojení dvou závitových trubek nebo armatur a prodloužení délky potrubí
-Male npt vlákna pro připojení k ženským závitovým trubkám
-Hexagonální střední část pro utažení pomocí klíče
-Brass pro odolnost proti korozi, tažnost při vysokých teplotách a nízká magnetická propustnost

Typická aplikace:
Mazivo, chlazení, instrumentace a hydraulické systémy.

Výhody:
Dryseal potrubí vlákna (BSPT (R)/BSP (G).

Kontaktujte nás

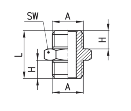
SPECIFIKACE

ČÁST#

Velikost vlákna a

S.W

L

H

2501-M5

M5

8

11.5

4.0

2501-A

G1/8

13

16.5

6.0

2501-B

G1/4

17

21.0

8.0

2501-C

G3/8

19

23.0

9.0

2501-D

G1/2

24

25.5

10.0

Kontakt s námi

O Legie

Legines Industrial Machinery Inc.

Jako profesionální výrobci mosazných mosazných kování a tlačí dodavatelé kování. Přijímá úplné obrábění CNC a vlastní dílnu ve výši 3600 metrů čtverečních. 45 automatických strojů, 35 poloautomatických strojů CNC, jakož i distributoři, kteří se stali důležitými dodavateli pro výrobu amerických standardních mosazných částí v Číně ...
  • čest
  • čest

INSTRUKCE & Novinky