legines.com
72# mosazné samce běh tee kompresní kování

72# mosazné samce běh tee kompresní kování

Mosazné samce běh tee kompresní armatury 71

Aplikace: Trhy:
■■ Vzduchové vedení ■■ Průmyslový
■■ Mazací linie ■■ Obal
■■ Chladicí linie ■■ Pneumatický
■■ Průmysl ■■ Tisk
■■ Stroje
■■ Kompresory
■■ Přenos tekutin

Funkce produktu:
■■ Splňuje funkční požadavky SAE J-512
■■ Ul uvedený pro hořlavou kapalinu
■■ K dispozici mosazný nebo acetální rukáv
■■ Žádná příprava trubice
■■ Kované a extrudované tvary

71 -171C -71A -S71

Kontaktujte nás

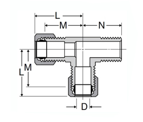
SPECIFIKACE

ČÁST#

TUBE O.D × Samec NPTF

M

N

D

71-3a

3/16 × 1/8

.63

.69

.125

71-4a

1/4 × 1/8

.63

.75

.188

71-4b

1/4 × 1/4

.69

.88

.188

71-5a

5/16 × 1/8

.72

.75

.250

71-5b

5/16 × 1/4

.75

.88

.250

71-6a

3/8 × 1/8

.75

.75

.312

71-6b

3/8 × 1/4

.79

.87

.312

71-6C

3/8 × 3/8

.88

1.00

.330

71-8C

1/2 × 3/8

.94

1.09

.406

71-8d

1/2 × 1/2

.97

1.19

.406

71-10D

5/8 × 1/2

1.06

1.31

.500

Naše 72# mosazné samce běh tee kompresní armatury splňují funkční požadavky SAE J-512 a jsou uvedeny ul pro hořlavou kapalinu. Tato armatury nemají žádnou přípravu trubice a jsou kované a extrudované tvary. Jsou k dispozici v celé řadě materiálů včetně mosazného, plastového a kovového rukávu. Je vybaven mosazným nebo acetálním rukávem a lze jej použít v různých aplikacích, jako jsou podvozky, převodovky a palivové systémy. Není nutná žádná příprava trubice.

Kontakt s námi

O Legie

Legines Industrial Machinery Inc.

Jako profesionální výrobci mosazných mosazných kování a tlačí dodavatelé kování. Přijímá úplné obrábění CNC a vlastní dílnu ve výši 3600 metrů čtverečních. 45 automatických strojů, 35 poloautomatických strojů CNC, jakož i distributoři, kteří se stali důležitými dodavateli pro výrobu amerických standardních mosazných částí v Číně ...
  • čest
  • čest

INSTRUKCE & Novinky