legines.com
65# 90 ° kování kompresního kování samců

65# 90 ° kování kompresního kování samců

Aplikace: Trhy:
■■ Vzduchové vedení ■■ Průmyslový
■■ Mazací linie ■■ Obal
■■ Chladicí linie ■■ Pneumatický
■■ Průmysl ■■ Tisk
■■ Stroje
■■ Kompresory
■■ Přenos tekutin

Funkce produktu:
■■ Splňuje funkční požadavky SAE J-512
■■ Ul uvedený pro hořlavou kapalinu
■■ K dispozici mosazný nebo acetální rukáv
■■ Žádná příprava trubice
■■ Kované a extrudované tvary

Referenční část č.
65 -265 -65a -S65

Kontaktujte nás

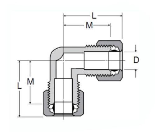
SPECIFIKACE

PRT# Velikost trubice O.D. M D
65-3 3/16 .61 .125
65-4 1/4 .66 .188
65-5 5/16 .69 .250
65-6 3/8 .72 .312
65-8 1/2 .94 .406
65-10 5/8 1.06 .500
65-12 3/4 1.19 .562
65-6-4 3/8x1/4 .75/.69 .125
65-8-6 1/2x3/8 .94/.88 .312

Série 65 je až 6krát lehčí než kované armatury a má lehký a korozivní acetal nebo mosaz a kovaný mosazný kolík. Tato montáž umožňuje přizpůsobit konec trubice na úhel 90 stupňů. Tato montáž je k dispozici ve více materiálech a povrchových úpravách včetně mosazi, nerezové oceli a acetalu. Každé montáž je vyraženo číslem dílu a zajišťuje snadnou identifikaci ve všech bodech dodavatelského řetězce. Tato podsestava lokte se obvykle používá v palivových systémech, kde se doporučuje připojení měděné trubice. Počet závitů potřebných k navázání připojení se může lišit v závislosti na materiálu potrubí, tloušťky stěny a tónu vlákna.

Kontakt s námi

O Legie

Legines Industrial Machinery Inc.

Jako profesionální výrobci mosazných mosazných kování a tlačí dodavatelé kování. Přijímá úplné obrábění CNC a vlastní dílnu ve výši 3600 metrů čtverečních. 45 automatických strojů, 35 poloautomatických strojů CNC, jakož i distributoři, kteří se stali důležitými dodavateli pro výrobu amerických standardních mosazných částí v Číně ...
  • čest
  • čest

INSTRUKCE & Novinky