legines.com
69# Komprese 90 ° mosazný mužský loket

69# Komprese 90 ° mosazný mužský loket

Aplikace: Trhy:
■■ Vzduchové vedení ■■ Průmyslový
■■ Mazací linie ■■ Obal
■■ Chladicí linie ■■ Pneumatický
■■ Průmysl ■■ Tisk
■■ Stroje
■■ Kompresory
■■ Přenos tekutin

Funkce produktu:
■■ Splňuje funkční požadavky SAE J-512
■■ Ul uvedený pro hořlavou kapalinu
■■ K dispozici mosazný nebo acetální rukáv
■■ Žádná příprava trubice
■■ Kované a extrudované tvary

Referenční část č.
69 -169 -S69 -69A

Kontaktujte nás

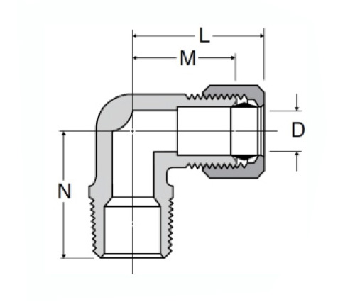
SPECIFIKACE

ČÁST# TUBE O.D*MALE NPTF N M
69-2A 1/8*1/8 .68 .59
69-3a 3/16*1/8 .68 .62
69-3b 3/16*1/4 .85 .61
69-4a 1/4*1/8 .75 .62
69-4b 1/4*1/4 .91 .65
69-4C 1/4*3/8 .93 .72
69-4d 1/4*1/2 1.11 .82
69-5a 5/16*1/8 .71 .67
69-5b 5/16*1/4 .82 .66
69-5C 5/16*3/8 .93 .81
69-5d 5/16*1/2 1.12 .82
69-6a 3/8*1/8 .72 .72
69-6b 3/8*1/4 .88 .75
69-6C 3/8*3/8 .93 .81
69-6d 3/8*1/2 1.18 .87
69-8b 1/2*1/4 .97 .88
69-8C 1/2*3/8 1.06 .88
69-8d 1/2*1/2 1.13 .94
69-8E 1/2*3/4 1.25 1.16
69-10C 5/8*3/8 1.25 1.06
69-10D 5/8*1/2 1.31 1.06
69-12d 3/4*1/2 1.31 1.19
69-12E 3/4*3/4 1.38 1.19

*Ref.Sae No.060202 BA

Náš mosazný a acetal 90 ° samčí loket je navržen podle SAE J-512. Splňuje funkční požadavky této specifikace s kompresním kloubem a vytvořeným koncem. Mosazný nebo acetální pouzdro je zabudováno do obrobené příruby, která poskytuje tuhost, ale umožňuje vložit trubici (trubice) bez přípravy.
90 ° mosazná mosazná mosazná kování je navržena tak, aby spojovala trubice bez nutnosti přípravy trubice. Toto univerzální montáž může být použito s jinými podobnými kováními k vytvoření komplexních systémů potrubí, které se snadno sestavují a udržují.

Kontakt s námi

O Legie

Legines Industrial Machinery Inc.

Jako profesionální výrobci mosazných mosazných kování a tlačí dodavatelé kování. Přijímá úplné obrábění CNC a vlastní dílnu ve výši 3600 metrů čtverečních. 45 automatických strojů, 35 poloautomatických strojů CNC, jakož i distributoři, kteří se stali důležitými dodavateli pro výrobu amerických standardních mosazných částí v Číně ...
  • čest
  • čest

INSTRUKCE & Novinky