legines.com
70# kované 90 ° ženské kování na kompresní lokety

70# kované 90 ° ženské kování na kompresní lokety

Aplikace: Trhy:
■■ Vzduchové vedení ■■ Průmyslový
■■ Mazací linie ■■ Obal
■■ Chladicí linie ■■ Pneumatický
■■ Průmysl ■■ Tisk
■■ Stroje
■■ Kompresory
■■ Přenos tekutin

Funkce produktu:
■■ Splňuje funkční požadavky SAE J-512
■■ Ul uvedený pro hořlavou kapalinu
■■ K dispozici mosazný nebo acetální rukáv
■■ Žádná příprava trubice
■■ Kované a extrudované tvary

Referenční část č.
70 -170C -S70 -70A

Kontaktujte nás

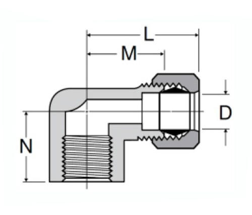
SPECIFIKACE

ČÁST#

TUBE O.D X FEMALR NPTF

N

M

D

70-3a

3/16x1/8

.470

.69

.125

70-4a

1/4x1/8

.470

.69

.188

70-4b

1/4x1/4

.562

.75

.188

70-5a

5/16x1/8

.600

.78

.234

70-5b

5/16x1/4

.562

.78

.250

70-6b

3/8x1/4

.580

.81

.312

70-6C

3/8x3/8

.580

.88

.312

70-8b

1/2x1/4

.700

1.00

.312

70-8C

1/2x3/8

.700

1.00

.406

70-8d

1/2x1/2

.880

1.00

.406

*Ref.Sae No.060203 BA

70# kovaný ženský loket je spolehlivý kompresový montáž vyrobené pro splnění SAE J-512. Toto montáž je navrženo s úhlem 90 ° vzhledem k ose hadic a lze jej použít k rozvětvení nebo provedení úhlu kdykoli po instalaci. Kované mosazné nebo acetální pouzdro umožňuje snadnou montáž bez nutnosti přípravy trubice.
70 stupňový ženský loket se používá pro řízení průtoku a může být použit v měkké oceli, nerezové oceli, hliníku a plastech. 70 stupňový ženský loket zahrnuje plastový nebo mosazný rukáv, který nabízí odolnost proti korozi. Tato montáž je kompatibilní s měkkou zděnou trubicí a velikost krku odpovídá trubici OD při sestavení.

Kontakt s námi

O Legie

Legines Industrial Machinery Inc.

Jako profesionální výrobci mosazných mosazných kování a tlačí dodavatelé kování. Přijímá úplné obrábění CNC a vlastní dílnu ve výši 3600 metrů čtverečních. 45 automatických strojů, 35 poloautomatických strojů CNC, jakož i distributoři, kteří se stali důležitými dodavateli pro výrobu amerických standardních mosazných částí v Číně ...
  • čest
  • čest

INSTRUKCE & Novinky