legines.com
79# kompresní armatury mosaz 45 °

79# kompresní armatury mosaz 45 °

Mosaz 45 ° Kompresní kování samců loket 79#

Aplikace: Trhy:
■■ Vzduchové vedení ■■ Průmyslový
■■ Mazací linie ■■ Obal
■■ Chladicí linie ■■ Pneumatický
■■ Průmysl ■■ Tisk
■■ Stroje
■■ Kompresory
■■ Přenos tekutin

Funkce produktu:
■■ Splňuje funkční požadavky SAE J-512
■■ Ul uvedený pro hořlavou kapalinu
■■ K dispozici mosazný nebo acetální rukáv
■■ Žádná příprava trubice
■■ Kované a extrudované tvary

Referenční část č.
273 -179C -74 -77 -6945

Kontaktujte nás

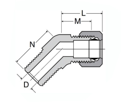
SPECIFIKACE

ČÁST#

Trubice o.d × samec nptf

N

M

D

79-3a

3/16 × 1/8

.61

.43

.125

79-4a

1/4 × 1/8

.61

.43

.189

79-4b

1/4 × 1/4

.83

.59

.189

79-5a

5/16 × 1/8

.66

.66

.234

79-5b

5/16 × 1/4

.83

.66

.250

79-6a

3/8 × 1/8

.66

.62

.312

79-6b

3/8 × 1/4

.83

.62

.312

79-6C

3/8 × 3/8

.88

.75

.312

79-8C

1/2 × 3/8

.94

.75

.406

79-8d

1/2 × 1/2

1.13

.94

.406

*Ref.Sae No.060302 BA

Kompresní armatury se vyrábějí z mosazi a sestavují s kompresním ferrulem a ořechem. Kované, extrudované mandely poskytují sílu ve všech směrech pro permanentní instalaci.
Tyto kompresní armatury jsou ideální pro instalatérské hadičky s hladkými, standardními a demontovatelnými koncemi. Používají se také jako konektory konektoru v mnoha různých průmyslových odvětvích včetně komerčních, průmyslových, automobilových a mořských aplikací.

Kontakt s námi

O Legie

Legines Industrial Machinery Inc.

Jako profesionální výrobci mosazných mosazných kování a tlačí dodavatelé kování. Přijímá úplné obrábění CNC a vlastní dílnu ve výši 3600 metrů čtverečních. 45 automatických strojů, 35 poloautomatických strojů CNC, jakož i distributoři, kteří se stali důležitými dodavateli pro výrobu amerických standardních mosazných částí v Číně ...
  • čest
  • čest

INSTRUKCE & Novinky