legines.com
3600# mosazné armatury Branch Tee Brass Pipe Fittings

3600# mosazné armatury Branch Tee Brass Pipe Fittings

Funkce produktu: Trhy:
■■ Celá mosazná konstrukce ■■ Průmyslový
■■ Splňuje funkční požadavky ■■ Konstrukce
SAE J530 a SAE J531 ■■ Těžký vůz
■■ Vlákna vyrobená pro sundární standardy ■■ Mobilní
■■ Dostupné výkony i extruze ■■ Automatizace továrny/procesů

Aplikace: Kompatibilní trubice:
■■ Vzduchové vedení ■■ Měď
■■ Vodovod ■■ Mosaz
■■ Chladicí linie ■■ Železná trubka

Specifikace:
Rozsah tlaku až do 1000 psi
Teplotní rozsah -65 ° až 250 ° F

Typická aplikace:
Mazivo, paliva, LP a zemní plyn, chlazení. Instrumentace a hydraulické systémy

Shoda:
Splňuje specifikace a standardy ASA, ASME a SAE.

Referenční část č.
2224P -3600 -T9 -X106 -226 -329 -128 -28281 ~ 28285

Kontaktujte nás

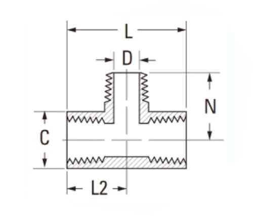
SPECIFIKACE

ČÁST# Velikost vlákna C D L2 N
3600-A F1/8 × M1/8 9/16 .219 1.10 .66
3600-B F1/4 × M1/4 11/16 .315 1.56 .91
3600-C F3/8 × M3/8 13/16 .438 1.68 .97
3600-d F1/2 × M1/2 1 " .562 2.18 1.25
3600-e F3/4 × M3/4 1 "-1/4 .750 2.31 1.38

*Ref.Sae No.130425

Vytvářené kování pobočky s těžkými pobočkami jsou vyrobeny z mosazi s těžkým rozchodem, vyrobené na standardy SAE J530 a SAE J531. Jsou k dispozici v výkonech i extruzích, což nám dává všestrannost nabídnout našim zákazníkům širokou škálu možností. Tyto větev, konstruované s hodnocením tlaku a teploty, jsou vhodné pro použití prakticky v jakémkoli průmyslovém procesu. Obě značky hadic lze úspěšně použít s touto řadou mědi a mosazných poboček tričko s odpališti, vám poskytuje vynikající kvalitu a spolehlivý výkon v nejširším rozsahu aplikací. Naši kvalifikovaní inženýři vám mohou pomoci vybrat nejlepší produkt nebo navrhnout systém, který vyhovuje vašim konkrétním potřebám.

Kontakt s námi

O Legie

Legines Industrial Machinery Inc.

Jako profesionální výrobci mosazných mosazných kování a tlačí dodavatelé kování. Přijímá úplné obrábění CNC a vlastní dílnu ve výši 3600 metrů čtverečních. 45 automatických strojů, 35 poloautomatických strojů CNC, jakož i distributoři, kteří se stali důležitými dodavateli pro výrobu amerických standardních mosazných částí v Číně ...
  • čest
  • čest

INSTRUKCE & Novinky