legines.com
3325# Redukční kování potrubí hexa

3325# Redukční kování potrubí hexa

Funkce produktu: Trhy:
■■ Celá mosazná konstrukce ■■ Průmyslový
■■ Splňuje funkční požadavky ■■ Konstrukce
SAE J530 a SAE J531 ■■ Těžký vůz
■■ Vlákna vyrobená pro sundární standardy ■■ Mobilní
■■ Dostupné výkony i extruze ■■ Automatizace továrny/procesů

Aplikace: Kompatibilní trubice:
■■ Vzduchové vedení ■■ Měď
■■ Vodovod ■■ Mosaz
■■ Chladicí linie ■■ Železná trubka

Specifikace:
Rozsah tlaku až do 1000 psi
Teplotní rozsah -65 ° až 250 ° F

Typická aplikace:
Mazivo, paliva, LP a zemní plyn, chlazení. Instrumentace a hydraulické systémy

Shoda:
Splňuje specifikace a standardy ASA, ASME a SAE.

Referenční část č.
216P -3325 -379 -122AH -122B

Kontaktujte nás

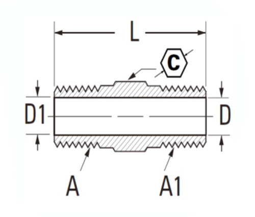
SPECIFIKACE

ČÁST#

Velikost vlákna

C

D

D1

L

3325L-AA

1/8 × 1/8

7/16

.219

.219

.91

3325-AA

1/8 × 1/8

7/16

.219

.219

.97

3325L-BA

1/4 × 1/8

9/16

.219

.219

1.00

3325-BA

1/4 × 1/8

91/6

.312

.219

1.19

3325L-BB

1/4 × 1/4

9/16

.312

.312

1.12

3325-BB

1/4 × 1/4

9/16

.312

.312

1.38

3325L-CA

3/8 × 1/8

11/16

.438

.219

1.11

3325-CA

3/8 × 1/8

11/16

.438

.219

1.22

3325L-CB

3/8 × 1/4

11/16

.438

.312

1.19

3325-CB

3/8 × 1/4

11/16

.438

.312

1.41

3325L-CC

3/8 × 3/8

11/16

.438

.438

1.25

3325-cc

3/8 × 3/8

11/16

.438

.438

1.41

3325L-DB

1/2 × 1/4

7/8

.562

.319

1.34

3325-DB

1/2 × 1/4

7/8

.562

.319

1.62

3325L-DC

1/2 × 3/8

7/8

.562

.438

1.41

3325-DC

1/2 × 3/8

7/8

.562

.438

1.62

3325L-DD

1/2 × 1/2

7/8

.662

.662

1.50

3325-DD

1/2 × 1/2

7/8

.562

.562

1.81

3325-ED

3/4 × 1/2

1-1/16

.750

.562

1.50

3325-EE

3/4 × 3/4

1-1/16

.750

.750

1.96

3325-HH

1 "× 1"

1-3/8

.960

.960

2.30

* L: Světlo

*Ref.Sae No.130137

Naše série 3325 snižujících kování hexových bradavek jsou vyrobeny z mosazné slitiny, která je 100% bez olova. Nabízíme rozkošení i extruze tohoto přizpůsobení. Každá bradavka je vyrobena tak, aby splňovala funkční požadavky na SAE J530 nebo SAE J531, oba trhy s těžkými nákladními vozy. Forged 3325 řady potrubí potrubí jsou k dispozici ve vláknech velké i standardní velikosti. Tyto bradavky jsou kompatibilní s mědi, mosaznou a železnou trubicí v rozmezí od ¼ ”do ½” plánu 40. Naši prodejní inženýři vám pomohou zajistit, abyste měli pro svou práci správné přizpůsobení! Série 3325 snižující se montáž potrubí bradavky se používá ke snížení velikosti potrubí vnějšího průměru. Série 3325 má výkony mosazi a přichází s certifikací NACE a také A-607, AWS a ASME razítkami na přední straně. K dispozici v různých tlacích až do 1000 psi.
Redukce kování potrubí šestihnutí je ideální pro většinu aplikací. Poskytují kompaktní designy šetřící prostory a používají se k spojování potrubních systémů dohromady. Tyto konektory pro muže a samice jsou vyrobeny ze silných mosazných materiálů a jsou vybaveny přesným obrobeným závitům, aby bylo zajištěno hladký provoz.

Kontakt s námi

O Legie

Legines Industrial Machinery Inc.

Jako profesionální výrobci mosazných mosazných kování a tlačí dodavatelé kování. Přijímá úplné obrábění CNC a vlastní dílnu ve výši 3600 metrů čtverečních. 45 automatických strojů, 35 poloautomatických strojů CNC, jakož i distributoři, kteří se stali důležitými dodavateli pro výrobu amerických standardních mosazných částí v Číně ...
  • čest
  • čest

INSTRUKCE & Novinky