legines.com
3200# Adaptér pro rozšiřování

3200# Adaptér pro rozšiřování

Funkce produktu: Trhy:
■■ Celá mosazná konstrukce ■■ Průmyslový
■■ Splňuje funkční požadavky ■■ Konstrukce
SAE J530 a SAE J531 ■■ Těžký vůz
■■ Vlákna vyrobená pro sundární standardy ■■ Mobilní
■■ Dostupné výkony i extruze ■■ Automatizace továrny/procesů

Aplikace: Kompatibilní trubice:
■■ Vzduchové vedení ■■ Měď
■■ Vodovod ■■ Mosaz
■■ Chladicí linie ■■ Železná trubka

Specifikace:
Rozsah tlaku až do 1000 psi
Teplotní rozsah -65 ° až 250 ° F

Typická aplikace:
Mazivo, paliva, LP a zemní plyn, chlazení. Instrumentace a hydraulické systémy

Shoda:
Splňuje specifikace a standardy ASA, ASME a SAE.

Referenční část č.
375 -222p -3200 -R1 -120AH -120B

Kontaktujte nás

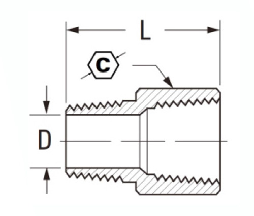
SPECIFIKACE

ČÁST#

Velikost vlákna

C

F

L

3200-AA

F1/8 × M1/8

1/2

.219

.88

3200L-AA

F1/8 × M1/8

9/16

.219

.83

3200-BA

F1/4 × M1/8

3/4

.219

1.06

3200L-BA

F1/4 × M1/8

11/16

.219

.94

3200LL-BA

F1/4 × M1/8

5/8

.219

.94

3200-BB

F1/4 × M1/4

3/4

.312

1.25

3200l-BB

F1/4 × M1/4

11/16

.312

1.00

3200LL-BB

F1/4 × M1/4

5/8

.312

1.00

3200-CA

F3/8 × M1/8

7/8

.219

1.00

3200-CB

F3/8 × M1/4

7/8

.312

1.25

3200L-CB

F3/8 × M1/4

13/16

.312

1.12

3200-cc

F3/8 × M3/8

7/8

.438

1.24

3200L-CC

F3/8 × M3/8

13/16

.438

1.12

3200-db

F1/2 × M1/4

1-1/16

.312

1.46

3200-DC

F1/2 × M3/8

1-1/16

.438

1.47

3200L-DC

F1/2 × M3/8

15/16

.438

1.19

3200-DD

F1/2 × M1/2

1-1/16

.562

1.66

3200L-DD

F1/2 × M1/2

15/16

.562

1.31

3200-EC

F3/4 × M3/8

1-1/4

.438

1.59

3200-ed

F3/4 × M1/2

1-1/4

.563

1.69

3200-EE

F3/4 × M3/4

1-1/4

.750

1.69

*L: Světlo

*Ref.Sae No.130139

Adaptérové armatury jsou vyrobeny jak z výkojů, tak z extruzí a kompatibilní s širokou škálou hadic, včetně vzduchových vedení, vodovodních vedení atd. SAE J530 a SAE J531 vlákna splňují funkční požadavky na trhy s těžkými náklady. Kompatibilní s měděnými i mosaznými hadičkami, tento produkt zvládne rozsah tlaku až do 1000 psi. Všechny armatury jsou vyrobeny v USA. Série 3200 - Série 200 adaptérových armatur pomocí RSE jsou navrženy tak, aby prodloužily délky potrubí. Odolná, veškerá mosazná konstrukce dělá tyto konektory ideální pro průmyslové, nákladní a mobilní aplikace. Tyto armatury mohou spojit velikost potrubí 2 palce a mít tlakový rozsah mezi 500-1000 psi, s teplotami v rozmezí od -65 ° do 250 ° Fahrenheitu. K dispozici také ve velikostech od 1/8 ”do 6”. 3200# Extender Adapter Fitting je navržen pro aplikace s velikostí trubek od 1/2 „do 2“. Je vybaven sušeným tělem vyrobeným z bronzu, které poskytuje ochranu před korozí, takže montáž lze použít při různých hladinách tlaku vody. Ženský konec je závitový a má tři nastavené šrouby.

Kontakt s námi

O Legie

Legines Industrial Machinery Inc.

Jako profesionální výrobci mosazných mosazných kování a tlačí dodavatelé kování. Přijímá úplné obrábění CNC a vlastní dílnu ve výši 3600 metrů čtverečních. 45 automatických strojů, 35 poloautomatických strojů CNC, jakož i distributoři, kteří se stali důležitými dodavateli pro výrobu amerických standardních mosazných částí v Číně ...
  • čest
  • čest

INSTRUKCE & Novinky