legines.com
3300# redukční kování potrubí pro spojování

3300# redukční kování potrubí pro spojování

Funkce produktu: Trhy:
■■ Celá mosazná konstrukce ■■ Průmyslový
■■ Splňuje funkční požadavky ■■ Konstrukce
SAE J530 a SAE J531 ■■ Těžký vůz
■■ Vlákna vyrobená pro sundární standardy ■■ Mobilní
■■ Dostupné výkony i extruze ■■ Automatizace továrny/procesů

Aplikace: Kompatibilní trubice:
■■ Vzduchové vedení ■■ Měď
■■ Vodovod ■■ Mosaz
■■ Chladicí linie ■■ Železná trubka

Specifikace:
Rozsah tlaku až do 1000 psi
Teplotní rozsah -65 ° až 250 ° F

Typická aplikace:
Mazivo, paliva, LP a zemní plyn, chlazení. Instrumentace a hydraulické systémy

Shoda:
Splňuje specifikace a standardy ASA, ASME a SAE.

Referenční část č.
377 -3300 -208p -108 -119b -119AH

Kontaktujte nás

SPECIFIKACE

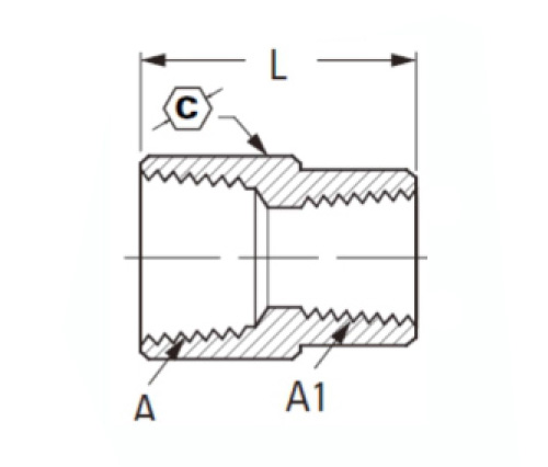
ČÁST# Velikost vlákna C L
3300-BA 1/4 × 1/8 3/4 .97
3300L-BA 1/4 × 1/8 5/8 .83
3300-CA 3/8 × 1/8 7/8 .94
3300-CB 3/8 × 1/4 7/8 1.16
3300L-CB 3/8 × 1/4 13/16 1.00
3300l-DA 1/2 × 1/8 15/16 1.19
3300-dB 1/2 × 1/4 1-1/16 1.28
3300L-DB 1/2 × 1/4 15/16 1.11
3300-DC 1/2 × 3/8 1-1/16 1.38
3300L-DC 1/2 × 3/8 15/16 1.19
*3300-EC 3/4 × 3/8 1-3/16 1.19
*3300-ed 3/4 × 1/2 1-3/16 1.19

*Ne na SAE specifikace

* Ref.Sae.No.130138

*L: Světlo

K připojení 2 trubic různých průměrů v potrubních systémech se používá kování potrubí řady FM3300 s rovnou konfigurací. Standardní spojka SAE redukující se s svarem na konec mužského konec a ženského konce. Splňuje funkční požadavky SAE J530, SAE J531 a dalších průmyslových aplikací. Veškerá mosazná konstrukce způsobuje, že toto vhodné pro aplikace s těžkými nákladními vozy je vhodné. Vlákna vyrobená na sudové standardy jsou kompatibilní s měděnou trubicí a trubkou.
Naše montáž je vyrobena ze 100% slitin a materiálů, s mosaznými koncovkami. Tato montáž byla testována na tlak až do 1000 psi. Přichází v tlakovém válci se všemi odpadky a armatury.

Kontakt s námi

O Legie

Legines Industrial Machinery Inc.

Jako profesionální výrobci mosazných mosazných kování a tlačí dodavatelé kování. Přijímá úplné obrábění CNC a vlastní dílnu ve výši 3600 metrů čtverečních. 45 automatických strojů, 35 poloautomatických strojů CNC, jakož i distributoři, kteří se stali důležitými dodavateli pro výrobu amerických standardních mosazných částí v Číně ...
  • čest
  • čest

INSTRUKCE & Novinky