legines.com
3350# 45 stupňů, pouliční loketní mosazné trubky

3350# 45 stupňů, pouliční loketní mosazné trubky

Funkce produktu: Trhy:
■■ Celá mosazná konstrukce ■■ Průmyslový
■■ Splňuje funkční požadavky ■■ Konstrukce
SAE J530 a SAE J531 ■■ Těžký vůz
■■ Vlákna vyrobená pro sundární standardy ■■ Mobilní
■■ Dostupné výkony i extruze ■■ Automatizace továrny/procesů

Aplikace: Kompatibilní trubice:
■■ Vzduchové vedení ■■ Měď
■■ Vodovod ■■ Mosaz
■■ Chladicí linie ■■ Železná trubka

Specifikace:
Rozsah tlaku až do 1000 psi
Teplotní rozsah -65 ° až 250 ° F

Typická aplikace:
Mazivo, paliva, LP a zemní plyn, chlazení. Instrumentace a hydraulické systémy

Shoda:
Splňuje specifikace a standardy ASA, ASME a SAE.

Referenční část č.
306 -3350 -2214p -224 -124A

Kontaktujte nás

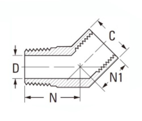
SPECIFIKACE

ČÁST# Velikost vlákna C D N N1
3350-A 1/8 × 1/8 9/16 .219 .50 .38
3350-B 1/4 × 1/4 11/16 .315 .74 .56
3350-C 3/8 × 3/8 13/16 .438 .78 .56
3350-D 1/2 × 1/2 1 " .562 1.00 .76
3350-e 3/4 × 3/4 1 "-1/4 .750 1.06 .75

*Ref.Sae No.130339

3350 je 45 stupňové pouliční loketní montáž. Přizpůsobení je vyrobeno tak, aby se používá s různými různými potrubními materiály a vydrží až 1000 psi. Má také provozní teplotní rozsah mezi -65 ° a 250 ° F.J 45 stupňů pouličního loketního mosazného potrubí je podle vašich přesných specifikací vytvořen náš tým zkušených výrobců. Pouliční loket je montáž potrubí, která má na jednom konci dvě závity potrubí a druhý konec má v potrubí ohyb 90 °. The street elbows are used in many different industries from plumbing to transportation. Pouliční lokty se vyrábějí v konfiguraci žen nebo mužů, aby se zvýšil tok tekutin nebo plynů v rozsahu tlaků, teplot a velikostí linek podle potřeby zákazník.

Kontakt s námi

O Legie

Legines Industrial Machinery Inc.

Jako profesionální výrobci mosazných mosazných kování a tlačí dodavatelé kování. Přijímá úplné obrábění CNC a vlastní dílnu ve výši 3600 metrů čtverečních. 45 automatických strojů, 35 poloautomatických strojů CNC, jakož i distributoři, kteří se stali důležitými dodavateli pro výrobu amerických standardních mosazných částí v Číně ...
  • čest
  • čest

INSTRUKCE & Novinky