legines.com
3152# mosazné armatury Hex Plugs Fittings

3152# mosazné armatury Hex Plugs Fittings

Funkce produktu: Trhy:
■■ Celá mosazná konstrukce ■■ Průmyslový
■■ Splňuje funkční požadavky ■■ Konstrukce
SAE J530 a SAE J531 ■■ Těžký vůz
■■ Vlákna vyrobená pro sundární standardy ■■ Mobilní
■■ Dostupné výkony i extruze ■■ Automatizace továrny/procesů

Aplikace: Kompatibilní trubice:
■■ Vzduchové vedení ■■ Měď
■■ Vodovod ■■ Mosaz
■■ Chladicí linie ■■ Železná trubka

Specifikace:
Rozsah tlaku až do 1000 psi
Teplotní rozsah -65 ° až 250 ° F

Typická aplikace:
Mazivo, paliva, LP a zemní plyn, chlazení. Instrumentace a hydraulické systémy

Shoda:
Splňuje specifikace a standardy ASA, ASME a SAE.

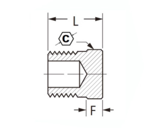
Referenční část č.
218P -3152 -121A -103 -121B -PPH -218p

Kontaktujte nás

SPECIFIKACE

ČÁST#

Velikost vlákna

C

F

L

3152-A

1/8

7/16

.19

.55

3152-b

1/4

9/16

.18

.62

3152-C

3/8

11/16

.22

.72

3152-D

1/2

7/8

.39

.87

3152-e

3/4

1-1/16

.56

.94

3152# Brass Fittings Hex Plugs Fittings - tento produkt obsahuje mosaznou konstrukci, průmyslové aplikace a dostupné výkony i výfuky. Tyto hexové zástrčky s jádrem byly vyrobeny pomocí standardů vlákna SAE J530/J531 podle specifikací dryseálních. Jsou kompatibilní s 1/8 "NPT stočenými trubicemi a mosaznou trubicí. Jsou také kompatibilní s jinými materiály, teplotními rozsahy a tlakovými rozsahy. Jedná se o hexovou zástrčku s hexovým koncem, takže může být snadno nainstalován na hexagonální trubku. 3-MID-MidSize nerezové oceli řezce pro přípravu potravin (výběr barvy) palce (0-002 palce).

Kontakt s námi

O Legie

Legines Industrial Machinery Inc.

Jako profesionální výrobci mosazných mosazných kování a tlačí dodavatelé kování. Přijímá úplné obrábění CNC a vlastní dílnu ve výši 3600 metrů čtverečních. 45 automatických strojů, 35 poloautomatických strojů CNC, jakož i distributoři, kteří se stali důležitými dodavateli pro výrobu amerických standardních mosazných částí v Číně ...
  • čest
  • čest

INSTRUKCE & Novinky