legines.com
105 l ocelové trubice dlouhá nit matice

105 l ocelové trubice dlouhá nit matice

Funkce produktu:
■■ Celá mosazná konstrukce
■■ UL uvedené pro hořlavou kapalinu a plyn
■■ Splňuje funkční požadavky SAE J512
■■ Ocelová ořech pro ekonomiku

Trhy: Aplikace:
■■ Klimatizace ■■ Linie chladiva
■■ Marine ■■ Brzdové vedení
■■ Mobilní ■■ Palivové vedení
■■ Motory

Kompatibilní trubice:
■■ Měď
■■ Mosaz
■■ Hliník
■■ Hydraulická trubka svařované ocelové

Referenční část č.:

Kontaktujte nás

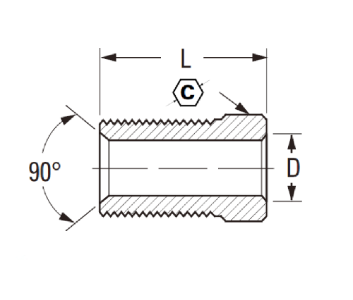
SPECIFIKACE

ČÁST#

Trubka O.D.

C

D

L

105L-3

3/16 3/8 .196

.844

105L-4

1/4 7/16 .257 .812

Jedná se o mosaznou konstrukci, dlouhá nití nití pro trubici až do 1/4 "O.D. materiálu. Je vybaven ul seznamu pro hořlavou kapalinu a plyn, splňuje funkční požadavky SAE J512 & UL 923/UL 181 standardů a je v souladu s FMVSS 135 & FMVSS 302 SPECIKCE
Hledáte hadičky z nerezové oceli? Tento seznam je pro vás! Dlouhá nití z nerezové oceli 105L je skvělá upgrade na váš instalatérský systém, který je postaven ze všech mosazných konstrukce a splňuje funkční požadavky SAE J512. Přichází v mnoha velikostech, proto je nezapomeňte zkontrolovat.

Kontakt s námi

O Legie

Legines Industrial Machinery Inc.

Jako profesionální výrobci mosazných mosazných kování a tlačí dodavatelé kování. Přijímá úplné obrábění CNC a vlastní dílnu ve výši 3600 metrů čtverečních. 45 automatických strojů, 35 poloautomatických strojů CNC, jakož i distributoři, kteří se stali důležitými dodavateli pro výrobu amerických standardních mosazných částí v Číně ...
  • čest
  • čest

INSTRUKCE & Novinky