legines.com
131 Ocelová invertovaná zástrčka brzdové linky

131 Ocelová invertovaná zástrčka brzdové linky

Funkce produktu:
■■ Celá mosazná konstrukce
■■ UL uvedené pro hořlavou kapalinu a plyn
■■ Splňuje funkční požadavky SAE J512
■■ Ocelová ořech pro ekonomiku

Trhy: Aplikace:
■■ Klimatizace ■■ Linie chladiva
■■ Marine ■■ Brzdové vedení
■■ Mobilní ■■ Palivové vedení
■■ Motory

Kompatibilní trubice:
■■ Měď
■■ Mosaz
■■ Hliník
■■ Svařovaná ocelová hydraulická trubice

Kontaktujte nás

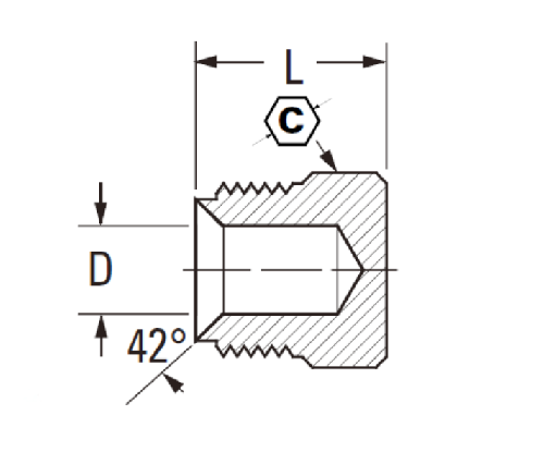
SPECIFIKACE

ČÁST#

Trubka O.D.

C

D

L

131-3

3/16 3/8 .188

.53

131-4

1/4 7/16 .188 .54

131-5

5/16 1/2 .250 .59

131-6

3/8 5/8 .312 .66

*Ref.Sae No.040109 BA

Naše 131 série mosazných invertovaných kování brzdových potrubí je navržena speciálně pro plynné a palivové vedení. Invertovaný design poskytuje připojení bez úniku v těsných aplikacích.
131 ocelová vrtaná brzdová linka je oheň nebo benzín kompatibilní s obrácenou zástrčkou ve stylu klíče, která je navržena pro utěsnění koncového konce flexibilní hadičky. Vyrábí se ze zinkové oceli pro odolnost proti korozi a integrální plastovou vložku, která nabízí sílu proti zkreslení. K dispozici také s mosaznou konstrukcí.
Tento produkt je mosaznou a ocelovou zátkou s obrácenou montáží. Je vyroben k přijetí 1/8 trubice. Dimenze je 0,53 "průměr o 0,54" hluboký, tento styl zástrčky lze použít pouze na mědě, oceli a hliníkové trubici.
Ekonomika je často názvem hry v aplikacích brzdových vedení. A neexistuje lepší způsob, jak ušetřit peníze, než s touto liniovou zástrčkou, která udržuje čerstvý vzduch mimo vaše linky, přesto vypadá skvěle a bude trvat po celá léta. S ocelovou maticí a mosaznou hlavně to určitě vyhovuje vašim potřebám.

Kontakt s námi

O Legie

Legines Industrial Machinery Inc.

Jako profesionální výrobci mosazných mosazných kování a tlačí dodavatelé kování. Přijímá úplné obrábění CNC a vlastní dílnu ve výši 3600 metrů čtverečních. 45 automatických strojů, 35 poloautomatických strojů CNC, jakož i distributoři, kteří se stali důležitými dodavateli pro výrobu amerických standardních mosazných částí v Číně ...
  • čest
  • čest

INSTRUKCE & Novinky