legines.com
100 mosazných invertovaných matic pro montáž matice

100 mosazných invertovaných matic pro montáž matice

Funkce produktu:
■■ Celá mosazná konstrukce
■■ UL uvedené pro hořlavou kapalinu a plyn
■■ Splňuje funkční požadavky SAE J512
■■ Ocelová ořech pro ekonomiku

Trhy: Aplikace:
■■ Klimatizace ■■ Linie chladiva
■■ Marine ■■ Brzdové vedení
■■ Mobilní ■■ Palivové vedení
■■ Motory

Kompatibilní trubice:
■■ Měď
■■ Mosaz
■■ Hliník
■■ Hydraulická trubka svařované ocelové

Referenční část č.
2100 41if -100 -41ib

Kontaktujte nás

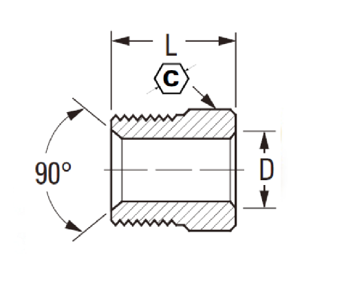
SPECIFIKACE

ČÁST#

Trubka O.D.

C

D

L

100-3

3/16 3/8 .196

.56

100-4

1/4 7/16 .259 .56

100-5

5/16 1/2 .321 .62

100-6

3/8 5/8 .384 .66

100-8

1/2

3/4

.508

.74

*Ref.sae č. 040110 BA

Robustní a ekonomické, toto obrácené mosazi je vyrobeno z mosazi. Přizpůsobení zahrnuje ocelovou matici pro bezpečnost a lze ji použít s měděnou, mosaznou nebo hliníkovou trubicí. Splňuje všechny funkční požadavky SAE J512.
All-Brass Construction, 100% ASME B16,28, SAE J512 a SAE J5195.0 Kompresorské kování je navrženo pro použití při vysokoteplotních aplikacích páry a vody. Fouká kompatibilita potrubí, může být připojena k jakékoli ocelové trubce nebo potrubí do 1 palec (25 milimetrů).
Tato invertovaná matice trubice s montáží na vzplanutí, běžně známá jako spojka, je navržena tak, aby spojovala dva kusy trubek ve stejné rovině. Přizpůsobení používá ocelovou matici s odlevňovacím koncem, který se vejde do ženského vzplanutí na druhém konci trubice. Tato armatury se značně používají v řadě aplikací od klimatizace po mořské a mobilní dieselové motory.
Těžká povinnost - Tato invertní armatury jsou vyrobeny výhradně z mosazi a jsou speciálně navrženy pro použití buď s mědí nebo hliníkovými trubicemi. Každá montáž je zcela nastavitelná a těžká výstavba zajišťuje trvanlivost během používání.

Kontakt s námi

O Legie

Legines Industrial Machinery Inc.

Jako profesionální výrobci mosazných mosazných kování a tlačí dodavatelé kování. Přijímá úplné obrábění CNC a vlastní dílnu ve výši 3600 metrů čtverečních. 45 automatických strojů, 35 poloautomatických strojů CNC, jakož i distributoři, kteří se stali důležitými dodavateli pro výrobu amerických standardních mosazných částí v Číně ...
  • čest
  • čest

INSTRUKCE & Novinky