legines.com
202 Invertovaného vzplanutí konektoru konektoru

202 Invertovaného vzplanutí konektoru konektoru

Funkce produktu:
■■ Celá mosazná konstrukce
■■ UL uvedené pro hořlavou kapalinu a plyn
■■ Splňuje funkční požadavky SAE J512
■■ Ocelová ořech pro ekonomiku

Trhy: Aplikace:
■■ Klimatizace ■■ Linie chladiva
■■ Marine ■■ Brzdové vedení
■■ Mobilní ■■ Palivové vedení
■■ Motory

Kompatibilní trubice:
■■ Měď
■■ Mosaz
■■ Hliník
■■ Hydraulická trubka svařované ocelové

Referenční část č.
2200 -48ifhd -202 -48W -200

Kontaktujte nás

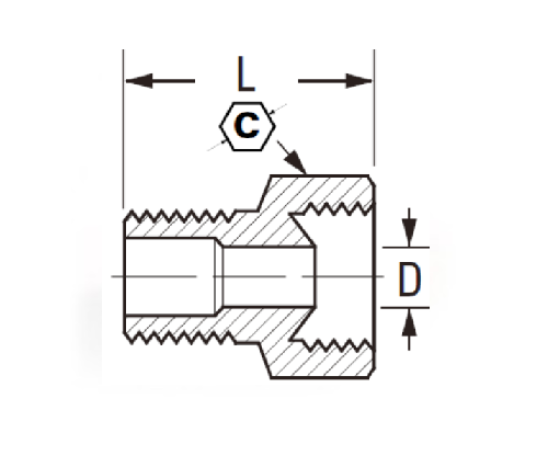
SPECIFIKACE

ČÁST#

TUBE O.D × Vlákno

C

D

L

202-2A

1/8 × 1/8 13/32 .078 .62

202-3a

3/16 × 1/8 15/32 .125 .70

202-4a

1/4 × 1/8 17/32 .188 .74

202-4b

1/4 × 1/4 9/16 .188 .89

202-5a

5/16 × 1/8 19/32 .219 .79

202-5b

5/16 × 1/4 19/32 .220 .98

202-6a

3/8 × 1/8 3/4 ..281 .89

202-6b

3/8 × 1/4 3/4 .281 1.03

202-6C

3/8 × 3/8 3/4 .281 1.01

202-8b

1/2 × 1/4 29.32 .406 1.08

202-8C

1/2 × 3/8 29/32 .406 1.07

202-8d

1/2 × 1/2 29/32 .406 1.26

202-10D

5/8 × 1/2 1-1/16 .531 1.32

202-12E

3/4 × 3/4 1-1/4 .625 1.39

*Ref.Sae č. 040102 BA

V mnoha aplikacích lze použít obrácené armatury. Tyto armatury jsou konstruovány z mosazi, což zajišťuje odolnost proti odolnosti a korozi. Integrovaná těsnění O-kroužek se používají k zajištění bezúhonného výkonu. Fitting SAE také splňuje požadavky SAE J512 pro tlakové systémy.
Nabízíme velký výběr palubních armatur, včetně super-odolných, průmyslových a standardních Rosebud. Naše invertované armatury pro vzplanutí jsou vyrobeny ze 100% mosazi, což z nich činí ideální pro všechny průmyslové aplikace.
Propojení hadic a hadic k ventilům nebo jiným zařízením se používají obrácené armatury. Skládají se z matice svorky, trubice a zamykacího kroužku. Upevňovací matice se utahuje na hadičku a drží trubici bezpečně na místě a uzamykací kroužek zabraňuje stažení trubice a zároveň ji obsluhuje. Utahovací síla je natolik velká, že tyto armatury lze použít bez pásky PTFE, ale před montáží musíte stále mazat vlákna.

Kontakt s námi

O Legie

Legines Industrial Machinery Inc.

Jako profesionální výrobci mosazných mosazných kování a tlačí dodavatelé kování. Přijímá úplné obrábění CNC a vlastní dílnu ve výši 3600 metrů čtverečních. 45 automatických strojů, 35 poloautomatických strojů CNC, jakož i distributoři, kteří se stali důležitými dodavateli pro výrobu amerických standardních mosazných částí v Číně ...
  • čest
  • čest

INSTRUKCE & Novinky