legines.com
252 Invertovaného vzplanutí ženských adaptérů

252 Invertovaného vzplanutí ženských adaptérů

Funkce produktu:
■■ Celá mosazná konstrukce
■■ UL uvedené pro hořlavou kapalinu a plyn
■■ Splňuje funkční požadavky SAE J512
■■ Ocelová ořech pro ekonomiku

Trhy: Aplikace:
■■ Klimatizace ■■ Linie chladiva
■■ Marine ■■ Brzdové vedení
■■ Mobilní ■■ Palivové vedení
■■ Motory

Kompatibilní trubice:
■■ Měď
■■ Mosaz
■■ Hliník
■■ Hydraulická trubka svařované ocelové

Referenční část č.
461FHD -252 -46 W

Kontaktujte nás

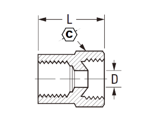
SPECIFIKACE

ČÁST#

TUBE O.D × Vlákno

C

D

L

252-3a

3/16 × 1/8 15/32 .125 .62

252-4a

1/4 × 1/8 17/32 .188 .62

252-5b

5/16 × 1/4 19/32 .220 .70

252-6b

3/8 × 1/4 3/4 .281 .80

252-8C

1/2 × 3/8 29/32 .406 .91

*Ref.Sae No.040103 BA

Tento adaptér pro mosazné ženské vzplanutí má obrácenou erupci pro použití se standardními samčími vzplalými kováními. Poskytuje spolehlivé těsnění, aby se zabránilo úniku, a je schválena SAE J512. Ocelová matice se doporučuje pro ekonomické aplikace, kde musí být trvale nainstalovaná montáž světlice stále odstraněna nebo přeinstalována v krátkém časovém období.
Série 252, která poskytuje další všestrannost a trvanlivost, bude ubytovat trubky s vnějším průměrem 3/16 ", 1/4", 5/16 "a 3/8". Tím je zajištěno, že je kompatibilní s prakticky veškerým kováním vašich tanků. Na jeho trvalou konstrukci vás také ohromí a zajistíte dlouhou životnost bez ohledu na to, kolikrát ji používáte.
Toto přizpůsobení adaptéru je navrženo tak, aby připojilo hadice a ventily. Vyrobeno z mosazi, tato mosazi splňuje průmyslové standardy a je určena pro použití v automobilových a mořských aplikacích.
Invertovaný ženský adaptér Flare je ženská montáž, která je kompatibilní s SAE 1/2 "NPT nitě a SAE 3/8". Tyto armatury jsou postaveny z odolných materiálů a určené pro rozsáhlé použití, jsou skvělé pro jakýkoli domov nebo firmu.

Kontakt s námi

O Legie

Legines Industrial Machinery Inc.

Jako profesionální výrobci mosazných mosazných kování a tlačí dodavatelé kování. Přijímá úplné obrábění CNC a vlastní dílnu ve výši 3600 metrů čtverečních. 45 automatických strojů, 35 poloautomatických strojů CNC, jakož i distributoři, kteří se stali důležitými dodavateli pro výrobu amerických standardních mosazných částí v Číně ...
  • čest
  • čest

INSTRUKCE & Novinky