legines.com
402 Invertovaná světlice 90 °

402 Invertovaná světlice 90 °

Funkce produktu:
■■ Celá mosazná konstrukce
■■ UL uvedené pro hořlavou kapalinu a plyn
■■ Splňuje funkční požadavky SAE J512
■■ Ocelová ořech pro ekonomiku

Trhy: Aplikace:
■■ Klimatizace ■■ Linie chladiva
■■ Marine ■■ Brzdové vedení
■■ Mobilní ■■ Palivové vedení
■■ Motory

Kompatibilní trubice:
■■ Měď
■■ Mosaz
■■ Hliník
■■ Hydraulická trubka svařované ocelové

Referenční část č.
4000 -2400 -2491ifhd -2491if -49 W

Kontaktujte nás

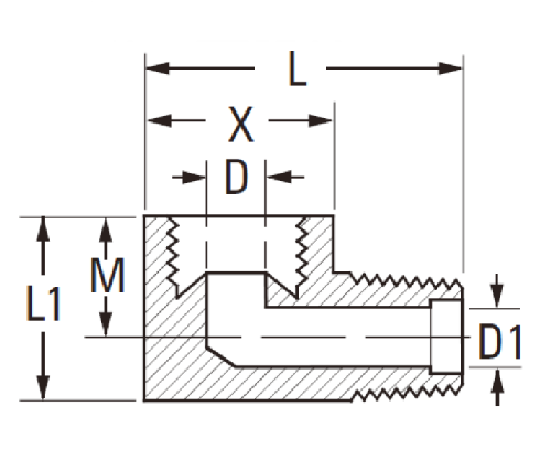
SPECIFIKACE

ČÁST#

Trubice o.d × mužské vlákno

X

D

L

402-2A

1/8 × 1/8 .42 .078 .80

402-3a

3/16 × 1/8 .47 .125 .70

402-4a

1/4 × 1/8 .53 .188 .74

402-4b

1/4 × 1/4 .56 .188 .89

402-5a

5/16 × 1/8 .59 .219 .79

402-5b

5/16 × 1/4 .59 .220 .98

402-6a

3/8 × 1/8 .76 .281 .89

402-6b

3/8 × 1/4 .76 .281 1.03

402-6C

3/8 × 3/8 .75 .281 1.01

402-8b

1/2 × 1/4 .91 .406 1.08

402-8C

1/2 × 3/8 .92 .406 1.07
402-8d 1/2 × 1/2 .91 .406 1.26
402-10D 5/8 × 1/2 1.06 .531 1.32

*Ref.Sae No.040202 BA

Vypnuté 90 ° loktů vám umožní snadno připojit dvě řádky v pravém úhlu. Používají se ke změně směru ve vodě, klimatizaci a vedení chladiva, brzdových vedení a palivových potrubích. Všechny mosazné konstrukce a ocelové ořechy jsou ideální pro použití s ocelovou hydraulickou gumovou hadicí.
Tato vzplanutí 90 ° loket je veškerá mosazná konstrukce, UL uvedená pro hořlavou kapalinu a plyn, splňuje funkční požadavky na trubici SAE J512, 1/8 "x1/8" na 1/2 "x1/2" samec. Ocelová matice pro ekonomiku splňuje většinu standardů výrobců automobilů OEM.
Jedná se o kování samčí lokety, které je konstruováno z mosazi a používá se v instalatérství. Tato montáž poskytuje levný způsob, jak připojit potrubí, které jsou vyrobeny z různých materiálů a velikostí.

Kontakt s námi

O Legie

Legines Industrial Machinery Inc.

Jako profesionální výrobci mosazných mosazných kování a tlačí dodavatelé kování. Přijímá úplné obrábění CNC a vlastní dílnu ve výši 3600 metrů čtverečních. 45 automatických strojů, 35 poloautomatických strojů CNC, jakož i distributoři, kteří se stali důležitými dodavateli pro výrobu amerických standardních mosazných částí v Číně ...
  • čest
  • čest

INSTRUKCE & Novinky