legines.com
352 Mosazná invertovaná světlice 45 °

352 Mosazná invertovaná světlice 45 °

Funkce produktu:
■■ Celá mosazná konstrukce
■■ UL uvedené pro hořlavou kapalinu a plyn
■■ Splňuje funkční požadavky SAE J512
■■ Ocelová ořech pro ekonomiku

Trhy: Aplikace:
■■ Klimatizace ■■ Linie chladiva
■■ Marine ■■ Brzdové vedení
■■ Mobilní ■■ Palivové vedení
■■ Motory

Kompatibilní trubice:
■■ Měď
■■ Mosaz
■■ Hliník
■■ Hydraulická trubka svařované ocelové

Referenční část č.
154 -2352 -259ifhd -352 -94W

Kontaktujte nás

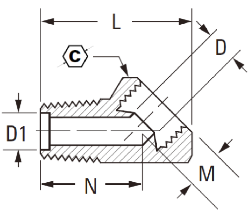
SPECIFIKACE

ČÁST#

TUBE O.D × Vlákno

C

D

L

352-3a

3/16 × 1/8 17/32 .125 .88

352-4a

1/4 × 1/8 9/16 .188 .94

352-5a

5/16 × 1/8 5/8 .219 1.00

352-5b

5/16 × 1/4 5/8 .219 1.16

352-6b

3/8 × 1/4 25/32 .281 1.34

352-8C

1/2 × 3/8 7/8 .406 1.44

*Ref.Sae No.040302 BA

352 mosazné obrácené flare 45 ° samčí loket (SAE J512) je určen pro použití v klimatizaci, chladivo, chladivo, mořské a mobilní aplikace. Tento loket má montáž samčí světlice s napínací maticí pro snadnou instalaci. Samový loket SAE J512 Muž 45 stupňů je postaven od veškeré mosazné, s výjimkou ocelové matice, která poskytuje trvanlivost a dostupnost.
352 mosazné invertované vzplanutí 45 ° samčí loket je navržen pro plyny a kapaliny a splňuje funkční požadavky SAE J512 o velikosti 1/8 "až 1". Měření 0,94 ”ve vnějším průměru.
Toto vybavení trubice 3⁄16 palců a nabízí ohyb o lokech 45 °.  Tato montáž je vhodná pro standardní klimatizaci, chlazení a hydraulické aplikace, jakož i pro mobilní nebo námořní průmysl.

Kontakt s námi

O Legie

Legines Industrial Machinery Inc.

Jako profesionální výrobci mosazných mosazných kování a tlačí dodavatelé kování. Přijímá úplné obrábění CNC a vlastní dílnu ve výši 3600 metrů čtverečních. 45 automatických strojů, 35 poloautomatických strojů CNC, jakož i distributoři, kteří se stali důležitými dodavateli pro výrobu amerických standardních mosazných částí v Číně ...
  • čest
  • čest

INSTRUKCE & Novinky