legines.com
51# SAE 45 ° Flare Brass Forged Male Run Tee

51# SAE 45 ° Flare Brass Forged Male Run Tee

Funkce produktu:
■■ Celá mosazná konstrukce
■■ Odolává vibracím s použitím dlouhé matice
■■ Ul seznam
■■ Funkční požadavky SAE J512 a J513


Trhy: Aplikace:
■■ Chlazení ■■ Linie chladiva
■■ Těžký vůz ■■ Propan
■■ Mobilní ■■ Paliva
■■ Průmyslový ■■ Adaptéry
■■ Topení ■■ Zemní plyn
■■ Klimatizace

Referenční část č.
T3- 151F -51 -10361 až 10360

Kontaktujte nás

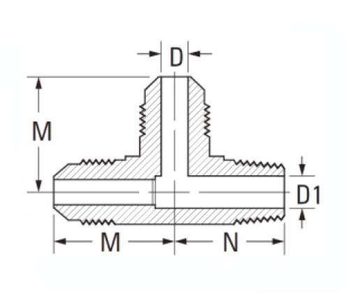
SPECIFIKACE

ČÁST#

Flare O.D × Thread

D

M

N

51-3 a

3/16 × 1/8

.126

.75

.75

51-4 a

1/4 × 1/8

.189

.78

.75

51-4b

1/4 × 1/4

.189

.88

.88

51-5 a

5/16 × 1/8

.219

.88

.80

51-5b

5/16 × 1/4

.219

1.00

.94

51-6b

3/8 × 1/4

.282

1.00

.94

51-6C

3/8 × 3/8

.282

1.00

1.00

51-6d

3/8 × 1/2

.282

1.12

1.22

51-8C

1/2 × 3/8

.408

1.16

1.09

51-8d

1/2 × 1/2

.408

1.22

1.22

51-10D

5/8 × 1/2

.500

1.41

1.31

51-12d

3/4 × 1/2

.625

1.63

1.59

51-12E

3/4 × 3/4

.625

1.63

1.44

*Ref.Sae No.010424

SAE 45 ° vzplanutí mosazné kované mužské běh tee. Tato část se vyrábí ze všech mosazů, včetně přírub a ořechů. Tato armatury se používají v aplikacích, kde jsou přítomny vibrace, jako jsou chlazení a mobilní palivové vedení. Run Tee má funkční požadavky na SAE J512 a J513, s dlouhou maticí, která odolává vibracím.

Kontakt s námi

O Legie

Legines Industrial Machinery Inc.

Jako profesionální výrobci mosazných mosazných kování a tlačí dodavatelé kování. Přijímá úplné obrábění CNC a vlastní dílnu ve výši 3600 metrů čtverečních. 45 automatických strojů, 35 poloautomatických strojů CNC, jakož i distributoři, kteří se stali důležitými dodavateli pro výrobu amerických standardních mosazných částí v Číně ...
  • čest
  • čest

INSTRUKCE & Novinky