legines.com
42# SAE 45 ° vzplanutí ženského konektoru mosazné kování světla

42# SAE 45 ° vzplanutí ženského konektoru mosazné kování světla

Funkce produktu:
■■ Celá mosazná konstrukce
■■ Odolává vibracím s použitím dlouhé matice
■■ Ul seznam
■■ Funkční požadavky SAE J512 a J513


Trhy: Aplikace:
■■ Chlazení ■■ Linie chladiva
■■ Těžký vůz ■■ Propan
■■ Mobilní ■■ Paliva
■■ Průmyslový ■■ Adaptéry
■■ Topení ■■ Zemní plyn
■■ Klimatizace

Referenční část č.
46 -U3 -10227-10248

Kontaktujte nás

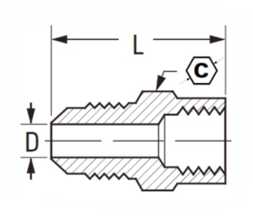
SPECIFIKACE

ČÁST#

Flare O.D × Thread

C

D

L

46-3a

3/16 × 1/8

9/16

.126

.58

46-4a

1/4 × 1/8

9/16

.189

.69

46-4b

1/4 × 1/4

11/16

.189

.79

46L-4B

1/4 × 1/4

11/16

.189

.88

46-4C

1/4 × 3/8

13/16

.189

1.06

46-4d

1/4 × 1/2

15/16

.189

1.31

46-5a

5/16 × 1/8

5/8

.219

1.38

46-5b

5/16 × 1/4

11/16

.219

1.44

46-5C

5/16 × 3/8

13/16

.219

1.69

46-6a

3/8 × 1/8

5/8

.282

1.88

46-6b

3/8 × 1/4

11/16

.282

1.87

46L-6B

3/8 × 1/4

13/16

.282

1.31

46-6C

3/8 × 3/8

13/16

.282

1.44

46-6d

3/8 × 1/2

1 "

.282

1.69

46L-6d

3/8 × 1/2

15/16

.282

1.44

46-8b

1/2 × 1/4

3/4

.408

1.60

46-8C

1/2 × 3/8

13/16

.408

1.62

46L-8C

1/2 × 3/8

13/16

.408

1.46

46-8d

1/2 × 1/2

1 "

.408

1.73

46L-8d

1/2 × 1/2

7/8

.408

1.62

46-8E

1/2 × 3/4

1-3/16

.408

1.75

46-10C

5/8 × 3/8

7/8

.500

1.79

46-10D

5/8 × 1/2

1 "

.500

1.98

46-12d

3/4 × 1/2

1-3/16

.625

2.17

46-12E

3/4 × 3/4

1-3/16

.625

2.08

„L“ znamená světelný vzor.

These fittings are completely interchangeable with full pattern fittings,but have been modified insome way.

Tato modifikace je obvykle v délce potrubí, která se používá v instalatérských a lehkých průmyslových aplikacích

*Údaje o rozměrech se mohou bez předchozího upozornění změnit

*Ref.Sae No.010103

Konektor SAE 45 ° je navržen pro lehké až střední služby vyžadující vysokou spolehlivost. 46-U3 se používá pro maximální tlak 10 000 psi pomocí nitrilové gumové hadice s neoprenovou vložkou. Tento konektor má těžkou matici, která odolává vibracím a prodlužuje životnost produktu. Montáž samčího paluby SAE používá zámek bajonetu, který nevyžaduje žádné speciální nástroje k nahrazení montáže v případě selhání nebo údržby.

Kontakt s námi

O Legie

Legines Industrial Machinery Inc.

Jako profesionální výrobci mosazných mosazných kování a tlačí dodavatelé kování. Přijímá úplné obrábění CNC a vlastní dílnu ve výši 3600 metrů čtverečních. 45 automatických strojů, 35 poloautomatických strojů CNC, jakož i distributoři, kteří se stali důležitými dodavateli pro výrobu amerických standardních mosazných částí v Číně ...
  • čest
  • čest

INSTRUKCE & Novinky