legines.com
39# SAE 45 ° vzplanutí mosazné armatury

39# SAE 45 ° vzplanutí mosazné armatury

Funkce produktu:
■■ Celá mosazná konstrukce
■■ Odolává vibracím s použitím dlouhé matice
■■ Ul seznam
■■ Funkční požadavky SAE J512 a J513


Trhy: Aplikace:
■■ Chlazení ■■ Linie chladiva
■■ Těžký vůz ■■ Propan
■■ Mobilní ■■ Paliva
■■ Průmyslový ■■ Adaptéry
■■ Topení ■■ Zemní plyn
■■ Klimatizace

Referenční část č.
58 -57 -439 -639F -P2 -PF -2229 -10063 ~ 10069

Kontaktujte nás

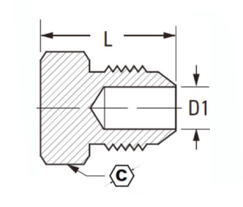
SPECIFIKACE

ČÁST# Trubka O.D. C D1 L
39-2 1/8 7/16 .079 .47
39-3 3/16 1/2 .126 .58
39-4 1/4 9/16 .189 .69
39-5 5/16 5/8 .220 .79
39-6 3/8 3/4 .282 .88
39-8 1/2 7/8 .408 1.06
39-10 5/8 1-1/16 .502 1.19
39-12 3/4 1-5/16 .627 1.30

*Ref.Sae No.010109

Toto mosazné mosaz SAE 45 ° je ideální pro chlazení, klimatizaci a propan. Má dlouhou matici pro odolnost vůči vibracím a je kompatibilní se standardy SAE J512 a J513. Tato mosaz je vyrobena z vysoce kvalitního mosazi a je vyrobena podle přesných standardů, aby byla zajištěna vynikající výkon.

Kontakt s námi

O Legie

Legines Industrial Machinery Inc.

Jako profesionální výrobci mosazných mosazných kování a tlačí dodavatelé kování. Přijímá úplné obrábění CNC a vlastní dílnu ve výši 3600 metrů čtverečních. 45 automatických strojů, 35 poloautomatických strojů CNC, jakož i distributoři, kteří se stali důležitými dodavateli pro výrobu amerických standardních mosazných částí v Číně ...
  • čest
  • čest

INSTRUKCE & Novinky