legines.com
1565 Push in Connection Fittings loket

1565 Push in Connection Fittings loket

Funkce produktu:
■■ Mosazný Collet
■■ Buna n o-kroužek
■■ Podpora z nerezové oceli
■■ Setká se s D.O.T. FMVSS571.106
■■ Splňuje SAE J2494 & SAE J2494-3

Trhy:
■■ Těžký vůz
■■ Přívěs
■■ Mobilní

Aplikace:
■■ Vzduchové brzdy
■■ Vzduchové nádrže
■■ Air Ride
■■ Posuvníky
■■ Inflace pneumatik
■■ Primární a sekundární linky

Kompatibilní trubice:
■■ SAE J844 NYLONOVÁ TUBKOVÁNÍ typu A & B

Referenční část č.
AQ65DOT -165PMT -1865 -DQ65DOT -1565 -DOT

Kontaktujte nás

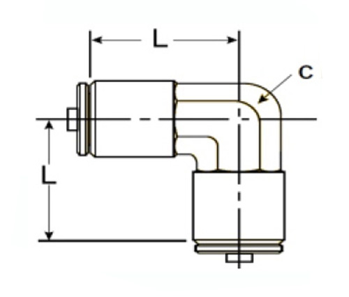
SPECIFIKACE

ČÁST# Trubka O.D. C L
1565-DOT-4 1/4 3/8 .92
1565-DOT-6 3/8 1/2 .96
1565-DOT-8 1/2 5/8 1.16
1565-DOT-10 5/8 11/16 1.19
1565-DOT-12 3/4 15/16 1.40

Stiskněte montáž pro SAE J844 typu A, B, C a D nylonové trubice. Používá se s opěrnou trubkou Buna O-kroužek a z nerezové oceli, aby se umožnila zabezpečenou instalaci hadic, jako jsou vzduchové brzdy, linky posilovače řízení a další. Přizpůsobení se vyrábí s vysoce kvalitními materiály, aby byla zajištěna správná funkčnost a dlouhou životnost.1565 Push in Connect Fittings loket je montáží používané s gumovou hadičkou. Má mosazný kolet. Toto přizpůsobení je vyrobeno společností TUSA P/N: 1565-DOT.Pneumatické připojení se používají ve spojení s hadičkou k vytvoření bezbariérové, trvalé nebo dočasné sestavy, která využívá standardní pneumatické komponenty. .

Kontakt s námi

O Legie

Legines Industrial Machinery Inc.

Jako profesionální výrobci mosazných mosazných kování a tlačí dodavatelé kování. Přijímá úplné obrábění CNC a vlastní dílnu ve výši 3600 metrů čtverečních. 45 automatických strojů, 35 poloautomatických strojů CNC, jakož i distributoři, kteří se stali důležitými dodavateli pro výrobu amerických standardních mosazných částí v Číně ...
  • čest
  • čest

INSTRUKCE & Novinky