legines.com
3750# mosazné armatury mužské tee mosazné kování potrubí

3750# mosazné armatury mužské tee mosazné kování potrubí

Funkce produktu: Trhy:
■■ Celá mosazná konstrukce ■■ Průmyslový
■■ Splňuje funkční požadavky ■■ Konstrukce
SAE J530 a SAE J531 ■■ Těžký vůz
■■ Vlákna vyrobená pro sundární standardy ■■ Mobilní
■■ Dostupné výkony i extruze ■■ Automatizace továrny/procesů

Aplikace: Kompatibilní trubice:
■■ Vzduchové vedení ■■ Měď
■■ Vodovod ■■ Mosaz
■■ Chladicí linie ■■ Železná trubka

Specifikace:
Rozsah tlaku až do 1000 psi
Teplotní rozsah -65 ° až 250 ° F

Typická aplikace:
Mazivo, paliva, LP a zemní plyn, chlazení. Instrumentace a hydraulické systémy

Shoda:
Splňuje specifikace a standardy ASA, ASME a SAE.

Referenční část č.
2225p -225 -3750 -326 -225 -127A -28245 ~ 28249

Kontaktujte nás

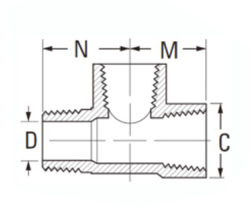
SPECIFIKACE

ČÁST#

Velikost vlákna

C

D

M

N

3750-A

1/8

9/16

.219

.55

.66

3750-B

1/4

11/16

.312

.78

.90

3750-C

3/8

13/16

.438

.84

.97

3750-D

1/2

1 "

.562

1.09

1.25

3750-e

3/4

1 "-1/4

.750

1.38

1.38

*Ref.Sae.No.130424

#3750 samčí kování tee se vyrábí z mosazi a splňuje potřeby průmyslové, továrny/procesní automatizace a mobilních aplikací. Poskytují spojení pro tlakové vzduchové vedení. Kompatibilní trubice je k dispozici v mědě, mosazi a železné trubce. Trhy zahrnují stavebnictví, průmyslové a těžké trhy nákladních vozidel. Kompatibilní materiály zahrnují vzduchové vedení, vodovodní potrubí a chladicí linky. Tyto mosazné armatury přicházejí v mužských a ženách pro vaše pohodlí. Materiály jsou dostatečně silné, aby se postavily na úniky a síly, což z nich činí ideální pro jakýkoli povětrnostní stav.  Každé montáž je vyrobeno z měděných trubek, mosazi a dalších kvalitních materiálů, které přinášejí sílu, trvanlivost a dlouhověkost.

Kontakt s námi

O Legie

Legines Industrial Machinery Inc.

Jako profesionální výrobci mosazných mosazných kování a tlačí dodavatelé kování. Přijímá úplné obrábění CNC a vlastní dílnu ve výši 3600 metrů čtverečních. 45 automatických strojů, 35 poloautomatických strojů CNC, jakož i distributoři, kteří se stali důležitými dodavateli pro výrobu amerických standardních mosazných částí v Číně ...
  • čest
  • čest

INSTRUKCE & Novinky