legines.com
3151# mosazné armatury čtvercové hlavy zástrčky

3151# mosazné armatury čtvercové hlavy zástrčky

Funkce produktu: Trhy:
■■ Celá mosazná konstrukce ■■ Průmyslový
■■ Splňuje funkční požadavky ■■ Konstrukce
SAE J530 a SAE J531 ■■ Těžký vůz
■■ Vlákna vyrobená pro sundární standardy ■■ Mobilní
■■ Dostupné výkony i extruze ■■ Automatizace továrny/procesů

Aplikace: Kompatibilní trubice:
■■ Vzduchové vedení ■■ Měď
■■ Vodovod ■■ Mosaz
■■ Chladicí linie ■■ Železná trubka

Specifikace:
Rozsah tlaku až do 1000 psi
Teplotní rozsah -65 ° až 250 ° F

Typická aplikace:
Mazivo, paliva, LP a zemní plyn, chlazení. Instrumentace a hydraulické systémy

Shoda:
Splňuje specifikace a standardy ASA, ASME a SAE.

Referenční část č.
3151 -211p -109a -109b

Kontaktujte nás

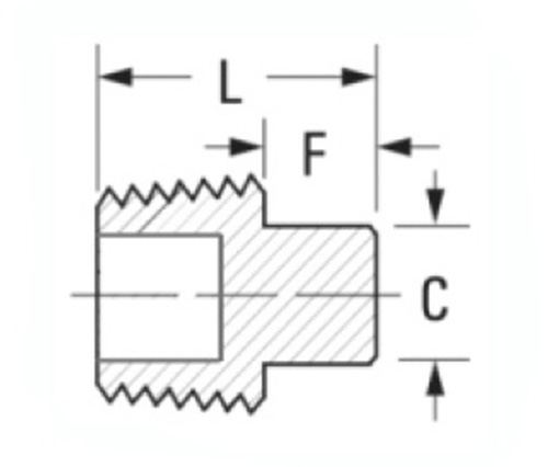
SPECIFIKACE

ČÁST#

Velikost vlákna

C

F

L

3151-A

1/8

.28

.24

.58

3151-b

1/8

.37

.29

.80

*3151L-B

1/4

.37

.29

.80

3151-C

3/8

.43

.32

.80

3151L-C

3/8

.43

.32

.80

3151-D

1/2

.56

.39

1.07

*3151L-D

1/2

.56

.39

1.07

3151-e

3/4

.62

.43

1.11

*3151l-e

3/4

.62

.43

1.11

*Duty

Naše řada 3151 nabízí celou řadu trubkových armatur používaných ve vzduchových vedeních, vodovodních vedeních a mazacích systémech. Tyto mosazné armatury se vyrábějí z materiálů SAE J530 a SAE J531, aby splňovaly vaše pracovní tlaky a teploty pro spolehlivé životnosti. Fittings má jak vypuštění, tak dostupné výtahy, stejně jako korozní odolné potlačování, které lze natřen na jakýkoli standard OEM. Všechna mosazná konstrukce poskytuje vynikající odolnost proti korozi a sílu. Tato montáž splňuje standard J530 a je kompatibilní s dryseálním potrubí. Ať už stavíte novou leteckou linku nebo nahrazujete starší kovové armatury moderní technologií, tyto odolné armatury vám pomohou dokončit práci správně.
Kvotižování zástrčky čtvercové hlavy se vyrábí z mosazi a lze je použít v různých aplikacích, včetně chladicích vedení, vodovodních vedení, vzduchových vedení a elektronických připojení. Každá montáž je kompatibilní s měděnými trubkami nebo železnou trubkou a mosaznou trubicí.

Kontakt s námi

O Legie

Legines Industrial Machinery Inc.

Jako profesionální výrobci mosazných mosazných kování a tlačí dodavatelé kování. Přijímá úplné obrábění CNC a vlastní dílnu ve výši 3600 metrů čtverečních. 45 automatických strojů, 35 poloautomatických strojů CNC, jakož i distributoři, kteří se stali důležitými dodavateli pro výrobu amerických standardních mosazných částí v Číně ...
  • čest
  • čest

INSTRUKCE & Novinky