legines.com
3500# mosazné armatury 90 stupňů loketního potrubí

3500# mosazné armatury 90 stupňů loketního potrubí

Funkce produktu: Trhy:
■■ Celá mosazná konstrukce ■■ Průmyslový
■■ Splňuje funkční požadavky ■■ Konstrukce
SAE J530 a SAE J531 ■■ Těžký vůz
■■ Vlákna vyrobená pro sundární standardy ■■ Mobilní
■■ Dostupné výkony i extruze ■■ Automatizace továrny/procesů

Aplikace: Kompatibilní trubice:
■■ Vzduchové vedení ■■ Měď
■■ Vodovod ■■ Mosaz
■■ Chladicí linie ■■ Železná trubka

Specifikace:
Rozsah tlaku až do 1000 psi
Teplotní rozsah -65 ° až 250 ° F

Typická aplikace:
Mazivo, paliva, LP a zemní plyn, chlazení. Instrumentace a hydraulické systémy

Shoda:
Splňuje specifikace a standardy ASA, ASME a SAE.

Referenční část č.
2200p -3500 -302 -200 -28001 až 28005 -100

Kontaktujte nás

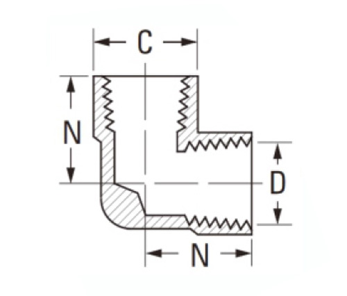
SPECIFIKACE

ČÁST# Velikost vlákna C D N N
3500-A 1/8 × 1/8 9/16 .219 .66 .47
3500-B 1/4 × 1/4 11/16 .315 .91 .72
3500-C 3/8 × 3/8 13/16 .438 .97 .78
3500-d 1/2 × 1/2 1 " .562 1.25 1.03
3500-e 3/4 × 3/4 1 "-1/4 .750 1.38 1.12

Ref.Sae No.130238

Naše lokty 90 stupňů, vyrobené z mosazi, jsou vyrobeny tak, aby vyhovovaly potřebám průmyslových a stavebních aplikací. Forged Mosaz je odolnější, těžší a méně pravděpodobné, že se ohýbá než extrudované produkty. Naše bronzové armatury mají také lepší odolnost vůči šokům a vibracím. Nabízíme padělané i extrudované trubkové armatury pro projekty ve všech průmyslových aplikacích, včetně vzduchových vedení, vodovodních vedení, chladicích vedení a dalších. Mosazná armatury se vyrábějí s nejvyššími standardy kvality. Od procesu kování po navlékání a dokončení koncování je každá fáze kontrolována pomocí přesných nástrojů. Tato armatury splňují funkční požadavky SAE J530 a SAE J531, přičemž jsou kompatibilní se standardem SAE J514 a ASME B16.21. Vaše 90 stupňů loktů se vyrábí z vysoce kvalitní mosazi, což poskytuje silnou a odolnou strukturu. Nabízíme možnosti montáže továrny i nákladních vozidel se dvěma různými konfiguracemi Barb, aby se přizpůsobily velké velikosti trubek. Ať už hledáte náhradu nebo chcete upgradovat váš systém, mohou Crouse-Hinds pomoci.

Kontakt s námi

O Legie

Legines Industrial Machinery Inc.

Jako profesionální výrobci mosazných mosazných kování a tlačí dodavatelé kování. Přijímá úplné obrábění CNC a vlastní dílnu ve výši 3600 metrů čtverečních. 45 automatických strojů, 35 poloautomatických strojů CNC, jakož i distributoři, kteří se stali důležitými dodavateli pro výrobu amerických standardních mosazných částí v Číně ...
  • čest
  • čest

INSTRUKCE & Novinky