legines.com
3400# mosazné trubky 90 stupňů pouliční loket

3400# mosazné trubky 90 stupňů pouliční loket

Funkce produktu: Trhy:
■■ Celá mosazná konstrukce ■■ Průmyslový
■■ Splňuje funkční požadavky ■■ Konstrukce
SAE J530 a SAE J531 ■■ Těžký vůz
■■ Vlákna vyrobená pro sundární standardy ■■ Mobilní
■■ Dostupné výkony i extruze ■■ Automatizace továrny/procesů

Aplikace: Kompatibilní trubice:
■■ Vzduchové vedení ■■ Měď
■■ Vodovod ■■ Mosaz
■■ Chladicí linie ■■ Železná trubka

Specifikace:
Rozsah tlaku až do 1000 psi
Teplotní rozsah -65 ° až 250 ° F

Typická aplikace:
Mazivo, paliva, LP a zemní plyn, chlazení. Instrumentace a hydraulické systémy

Shoda:
Splňuje specifikace a standardy ASA, ASME a SAE.

Referenční část č.
2202P -3400 -304 -115 -202 -116A -28156 až 2816

Kontaktujte nás

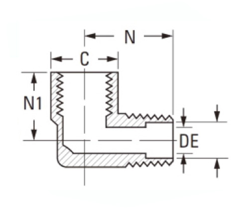
SPECIFIKACE

ČÁST# Velikost vlákna C D N N1
3400-AA 1/8 × 1/8 9/16 .219 .66 .47
3400-BB 1/4 × 1/4 11/16 .315 .91 .72
3400-cc 3/8 × 3/8 13/16 .438 .97 .78
3400-DD 1/2 × 1/2 1 " .562 1.25 1.03
3400-EE 3/4 × 3/4 1-1/4 .750 1.38 1.12

Ref.Sae No.130239

3400# mosazné trubkové armatury 90 stupňů pouliční loket je vyroben ze všech mosazných konstrukce a kompatibilní s výkopy i extruzí; Fittings průmyslové třídy, které splňují funkční požadavky SAE J530 a SAE J531; Trh: Konstrukce, těžký kamion a mobilní. Obě standardy jsou sledovány pro práci na mobilních aplikacích, které jsou termoplastické gumové (TPR), byla vyvinuta pro použití v automobilových, průmyslových a komerčních aplikacích, kde je CPVC nekompatibilní. Tento konec svaru je vhodný pro použití v hydraulických systémech, zejména při práci za extrémního tlaku. Je k dispozici v široké škále velikostí a má výjimečnou odolnost proti korozi. Toto přizpůsobení se používá pro připojení vzduchových vedení, které se skládají z měděných trubek. Má úhel 90 stupňů a je vyroben z mosazi, takže vydrží tvrdé povětrnostní podmínky.

Kontakt s námi

O Legie

Legines Industrial Machinery Inc.

Jako profesionální výrobci mosazných mosazných kování a tlačí dodavatelé kování. Přijímá úplné obrábění CNC a vlastní dílnu ve výši 3600 metrů čtverečních. 45 automatických strojů, 35 poloautomatických strojů CNC, jakož i distributoři, kteří se stali důležitými dodavateli pro výrobu amerických standardních mosazných částí v Číně ...
  • čest
  • čest

INSTRUKCE & Novinky