legines.com
146SV hadice Barb na otočení 45 ° ženské vzplanutí

146SV hadice Barb na otočení 45 ° ženské vzplanutí

Funkce produktu:
■■ Celá mosazná konstrukce
■■ Fluorokarbonové O-kroužky
■■ NPTF, SAE Straight Thread, Metric Thread Ends
■■ Opakovaně použitelné
■■ Požadovaná svorka

Trhy:
■■ Průmyslový
■■ Konstrukce
■■ Těžký vůz
■■ Mobilní

Kompatibilní trubice:
■■ Gumová hadice
■■ GPH hadice

Referenční část č.
146HBLFSV -144 -FSS -128

Kontaktujte nás

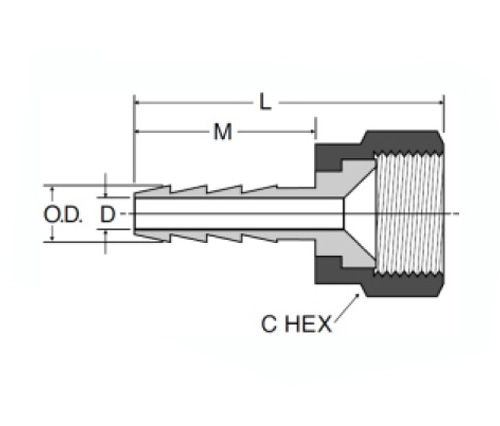
SPECIFIKACE

ČÁST#

Hadice I.D × Žena vzplanutí

C

D

M

L

*146SV-4-4

1/4 × 7/16-20

9/16

.187

.97

1.55

*146SV-4-6

1/4 × 5/8-18

3/4 .187 .97 1.65

*146SV-6-6

3/8 × 5/8-18

3/4 .281 .97 1.65

*146SV-8-8

1/2 × 3/4-16

7/8 .375

.97

1.70
** 146SV-4-4

1/4 × 7/16-20

9/16 .187 .97 1.55

** 146SV-6-6

3/8 × 5/8-18

3/4 .281 .97 1.65

*Žena 45 SAE FLARE Swivel

** Žena 37 JIC Flare Swivel

Snap-on Swivel 45 ° ženské hadicové barb na světlice, 1/4 "nebo 3/8" NPT Male Thread, Universal kloub zahrnuje O-kroužek. 146HBLFSV má přímé vlákno na jedné straně a na druhé straně světlice. To eliminuje potřebu druhého potrubí pro úhel 45 stupňů. Je kompatibilní s 303, 304 a 316 SAE z nerezové oceli a také gumovou hadicí nebo zahradní hadicí aplikace.
Tento produkt je ideální pro těsné prostory, protože poskytuje vzduchotěsné těsnění při spojování dvou potrubí dohromady. O-kroužky se v průběhu času nezhoršují ani prasknou, takže hadici lze použít několikrát. Dodává se také s rovnými i metrickými vlákny, takže je ideální pro různé úlohy.
146SV je 1 "otočný na SAE Straight Thread 90 ° loket. Hadicové ostny a další adaptéry jsou k dispozici v mnoha různých velikostech a stylech, včetně ostnatého nebo přímého nebo 45 ° lokty. Jednotlivé komponenty jsou znovu použitelné, což snižuje náklady na likvidaci, které jsou opětovné použití.

Kontakt s námi

O Legie

Legines Industrial Machinery Inc.

Jako profesionální výrobci mosazných mosazných kování a tlačí dodavatelé kování. Přijímá úplné obrábění CNC a vlastní dílnu ve výši 3600 metrů čtverečních. 45 automatických strojů, 35 poloautomatických strojů CNC, jakož i distributoři, kteří se stali důležitými dodavateli pro výrobu amerických standardních mosazných částí v Číně ...
  • čest
  • čest

INSTRUKCE & Novinky