legines.com
45# SAE 45 ° vzplanutí mosazné kované mužské větev

45# SAE 45 ° vzplanutí mosazné kované mužské větev

Funkce produktu:
■■ Celá mosazná konstrukce
■■ Odolává vibracím s použitím dlouhé matice
■■ Ul seznam
■■ Funkční požadavky SAE J512 a J513


Trhy: Aplikace:
■■ Chlazení ■■ Linie chladiva
■■ Těžký vůz ■■ Propan
■■ Mobilní ■■ Paliva
■■ Průmyslový ■■ Adaptéry
■■ Topení ■■ Zemní plyn
■■ Klimatizace

Referenční část č.
T1 -145F -45 -10203 až 10221

Kontaktujte nás

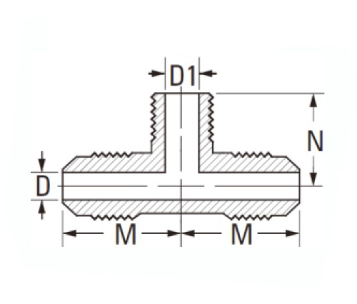
SPECIFIKACE

ČÁST#

Flare O.D × thared

D

M

N

45-3a

3/16 × 1/8

.126

.75

.75

45-4a

1/4 × 1/8

.189

.78

.78

45-4b

1/4 × 1/4

.189

.88

.88

45-5a

5/16 × 1/8

.219

.88

.80

45-5b

5/16 × 1/4

.219

1.00

.94

45-6b

3/8 × 1/4

.282

1.00

.94

45-6C

3/8 × 3/8

.282

1.00

1.00

45-6d

3/8 × 1/2

.282

1.12

1.12

45-8C

1/2 × 3/8

.408

1.16

1.09

45-8d

1/2 × 1/2

.408

1.22

1.22

45-1OD

5/8 × 1/2

.500

1.41

1.31

45-12d

3/4 × 1/2

.625

1.63

1.59

45-12E

3/4 × 3/4

.625

1.63

1.44

*Ref.Sae No.010425

45 ° mosazné pobočky pro mosazné pobočky poskytuje možnosti pro váš potrubní systém. Tyto závitové armatury jsou univerzální v tom, že mohou být použity na obou stranách pro práci s eliativními nebo čepickými koncemi, podle potřeby podle průmyslových standardů. Všechny naše výrobky jsou vyrobeny z mosazi a jsou odolné a spolehlivé. Jednotka je uvedena UL a splňuje funkční požadavky SAE J512 a J513. Další velikosti k dispozici na vyžádání.

Kontakt s námi

O Legie

Legines Industrial Machinery Inc.

Jako profesionální výrobci mosazných mosazných kování a tlačí dodavatelé kování. Přijímá úplné obrábění CNC a vlastní dílnu ve výši 3600 metrů čtverečních. 45 automatických strojů, 35 poloautomatických strojů CNC, jakož i distributoři, kteří se stali důležitými dodavateli pro výrobu amerických standardních mosazných částí v Číně ...
  • čest
  • čest

INSTRUKCE & Novinky