legines.com
72# kompresní armatury

72# kompresní armatury

Aplikace: Trhy:
■■ Vzduchové vedení ■■ Průmyslový
■■ Mazací linie ■■ Obal
■■ Chladicí linie ■■ Pneumatický
■■ Průmysl ■■ Tisk
■■ Stroje
■■ Kompresory
■■ Přenos tekutin

Funkce produktu:
■■ Splňuje funkční požadavky SAE J-512
■■ Ul uvedený pro hořlavou kapalinu
■■ K dispozici mosazný nebo acetální rukáv
■■ Žádná příprava trubice
■■ Kované a extrudované tvary

Referenční část č.
72 -172C -S72 -72A

Kontaktujte nás

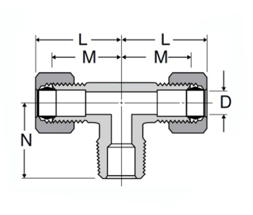
SPECIFIKACE

ČÁST#

Trubice o.d × samec nptf

M

N

D

72-3a

3/16 × 1/8

.63

.69

.125

72-4a

1/4 × 1/8

.63

.75

.188

72-4b

1/4 × 1/4

.69

.88

.188

72-5a

5/16 × 1/8

.72

.75

.250

72-5b

5/16 × 1/4

.75

.88

.250

72-6a

3/8 × 1/8

.75

.75

.312

72-6b

3/8 × 1/4

.79

.87

.312

72-6C

3/8 × 3/8

.88

1.00

.330

72-8C

1/2 × 3/8

.94

1.09

.406

72-8d

1/2 × 1/2

.97

1.19

.406

72-10D

5/8 × 1/2

1.06

1.31

.500

Všechny kompresní armatury jsou vyrobeny tak, aby splňovaly nebo překročily funkční požadavky SAE J-512 a UL uvedených pro hořlavou kapalinu. Jsou vyrobeny ze slitiny hliníku, mosazi nebo acetalu. Naše padělané a extrudované tvary mají vysoký stupeň odolnosti vůči poškození, která by se obvykle vyskytovala při konvenčnějších armaturech. Vytvoříme jakýkoli tvar, který si dokážete představit až do maximálního průměru 2 “.
Kompresní kování samčí větev Tee je 90 ° větev typu tričko pro použití s měděnou, nerezovou ocelí a termoplastickou trubkou. Loket se otočí o 360 °, aby se usnadnilo připojení k tvrdým úhlům a dýmkám.

Kontakt s námi

O Legie

Legines Industrial Machinery Inc.

Jako profesionální výrobci mosazných mosazných kování a tlačí dodavatelé kování. Přijímá úplné obrábění CNC a vlastní dílnu ve výši 3600 metrů čtverečních. 45 automatických strojů, 35 poloautomatických strojů CNC, jakož i distributoři, kteří se stali důležitými dodavateli pro výrobu amerických standardních mosazných částí v Číně ...
  • čest
  • čest

INSTRUKCE & Novinky