legines.com
369PTC samčí loketní otočení 90 °

369PTC samčí loketní otočení 90 °

Funkce produktu:
■■ Mosazný Collet
■■ Buna n o-kroužek
■■ Podpora z nerezové oceli
■■ Setká se s D.O.T. FMVSS571.106
■■ Splňuje SAE J2494-3
■■ Kompozitní tělo - silné, lehké, kompaktní a dopadové odolné
■■ Konfigurace plug-in

Trhy:
■■ Těžký vůz
■■ Přívěs
■■ Mobilní

Aplikace:
■■ Vzduchové brzdy
■■ Vzduchové nádrže
■■ Air Ride
■■ Posuvníky
■■ Inflace pneumatik
■■ Primární a sekundární linky
■■ Ovládací prvky kabiny

Kontaktujte nás

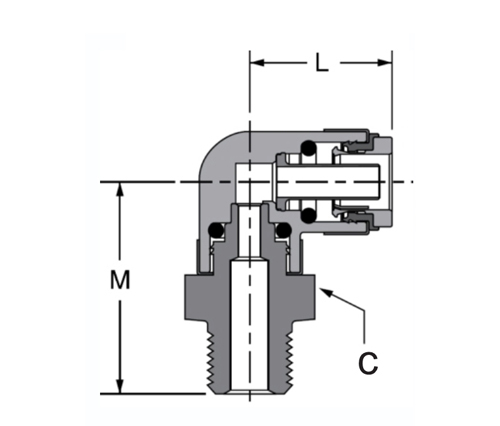
SPECIFIKACE

ČÁST# Velikost trubice x samec nptf C M L W.G Cena
369PTC-4A 1/4 × 1/8 9/16 .69 .69
369PTC-4B 1/4 × 1/4 9/16 .69 1.20
369PTC-4C 1/4 × 3/8 9/16 .69 1.20
369PTC-6A 3/8 × 1/8 3/4 .99 1.13
369PTC-6B 3/8 × 1/4 3/4 .99 1.28
369PTC-6C 3/8 × 3/8 3/4 .99 1.28
369PTC-6D 3/8 × 1/2 3/4 .99 1.47
369PTC-8B 1/2 × 1/4 15/16 1.11 1.39
369PTC-6C 1/2 × 3/8 15/16 1.11 1.39
369PTC-6D 1/2 × 1/2 15/16 1.11 1.58
369PTC-10C 5/8 × 3/8 1-1/16 1.33 1.60
369PTC-10D 5/8 × 1/2 1-1/16 1.33 1.79
369PTC-12d 3/4 × 1/2 1-3/16 1.52 1.89
369PTC-12E 3/4x3/4 1-3/16 1.52 1.89

369ptc samčí loketní otočení vám ušetří čas a peníze. Tento plně testovaný a U-seznam konektoru splňuje FMVSS 571.106, federální bezpečnostní standard motorových vozidel pro hadice vzduchových brzd. 369PTC je vyroben z kompozitního materiálu s vysokou pevností, který je odolný vůči dopadu, má dlouhou životnost a snadno se instaluje s pouzdrem na kompresi.

Kontakt s námi

O Legie

Legines Industrial Machinery Inc.

Jako profesionální výrobci mosazných mosazných kování a tlačí dodavatelé kování. Přijímá úplné obrábění CNC a vlastní dílnu ve výši 3600 metrů čtverečních. 45 automatických strojů, 35 poloautomatických strojů CNC, jakož i distributoři, kteří se stali důležitými dodavateli pro výrobu amerických standardních mosazných částí v Číně ...
  • čest
  • čest

INSTRUKCE & Novinky