legines.com
1469# Air Brake Nylon Trubing Male loket

1469# Air Brake Nylon Trubing Male loket

Funkce produktu:
■■ Mosazné tělo
■■ Setká se s D.O.T. Výkon FMVSS571.106
■■ Splňuje funkční požadavky SAE J246 & SAE J1131
■■ Předem aplikovaný tmel vlákna


Trhy:
■■ Těžký vůz
■■ Přívěs
■■ Mobilní


Aplikace:
■■ Vzduchové brzdy
■■ Vzduchové nádrže
■■ Air Ride
■■ Posuvníky
■■ Inflace pneumatik
■■ Primární a sekundární linky
■■ Ovládací prvky kabiny

Referenční část č.

69NAB -1469 -S769AB

Kontaktujte nás

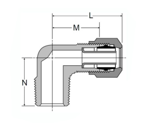
SPECIFIKACE

ČÁST# Trubice o.d × samec nptf M N
1469-4a 1/4 × 1/8 .59 .64
1469-4b 1/4 × 1/4 .68 .87
1469-4C 1/4 × 3/8 .73 .86
1469-6a 3/8 × 1/8 .73 .75
1469-6b 3/8 × 1/4 .73 .87
1469-6C 3/8 × 3/8 .74 .87
1469-6d 3/8 × 1/2 .88 1.05
1469-8b 1/2 × 1/4 .81 .93
1469-8C 1/2 × 3/8 .92 .95
1469-8d 1/2 × 1/2 1.03 1.18
1469-10C 5/8 × 3/8 1.00 1.05
1469-10D 5/8 × 1/2 1.09 1.25
1469-10E 5/8 × 3/4 1.25 1.32
1469-12d 3/4 × 1/2 1.19 1.33
1469-12E 3/4 × 3/4 1.26 1.32

*Ref.Sae No.100202 BA

Mosazná tělo, setká se s D.O.T. FMVSS571.106 Výkon, splňuje funkční požadavky SAE J246 & SAE J1131, předem aplikované tmelové trhy s nití: těžká kamiona, přívěs, mobilní aplikace: vzduchové brzdy, vzduchové nádrže, jízda na vzduchu, posuvníky, inflace pneumatik, inflace pneumatik, primární a sekundární linky, kabiny, kabiny, kabiny, kabiny
Vzduchové brzdové hadice se vyrábějí z tvrdého nylonu vyztuženého ocelovým drátěným šroubonem a jedinou trubicí pro přelišení, aby se splnil požadavek asociace amerických železnic (AAR) specifikace 100202. Tato hadice vzduchové brzdy splňují požadavky dot FMVSS571.106
Loket je standardní položka používaná ve vzduchovém brzdovém průmyslu. Poskytuje 90 stupňové zatáčky ve vzduchové brzdové hadičce na připojení samců nebo žen (trubka). Má mosazné tělo, metalurgické válce a vlákno.

Kontakt s námi

O Legie

Legines Industrial Machinery Inc.

Jako profesionální výrobci mosazných mosazných kování a tlačí dodavatelé kování. Přijímá úplné obrábění CNC a vlastní dílnu ve výši 3600 metrů čtverečních. 45 automatických strojů, 35 poloautomatických strojů CNC, jakož i distributoři, kteří se stali důležitými dodavateli pro výrobu amerických standardních mosazných částí v Číně ...
  • čest
  • čest

INSTRUKCE & Novinky